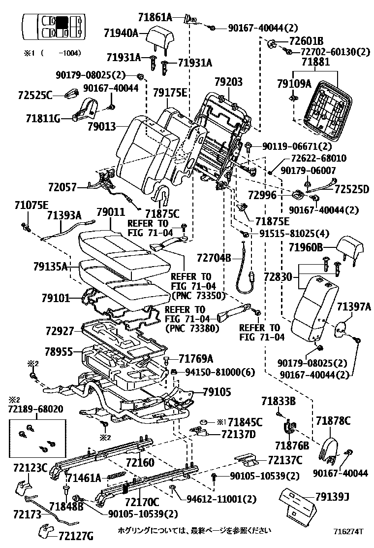
Toyota WISH 163 — REAR SEAT & SEAT TRACK

7104SEAT BELT & CHILD RESTRAINT SEAT
71075ECLIP(FOR REAR SEAT)
71393ABAND, REAR SEAT CUSHION, RH
71397ACOVER, CENTER SEAT HINGE
71461ASPRING, REAR SEAT CUSHION, NO.1
71769ACLIP, REAR SEATBACK BOARD
71811GSHIELD, REAR SEAT CUSHION, RH
71833BCLIP (FOR REAR SEAT RECLINING COVER)
71845CCAP, REAR SEAT COVER
71848BCAP, SEAT ADJUSTER COVER, RH
71861ASHIELD, REAR SEAT CUSHION, INNER RH
71875CCOVER, RECLINING ADJUSTER INSIDE, RH
71875ECOVER, RECLINING ADJUSTER INSIDE, RH
71876BCOVER, RECLINING ADJUSTER INSIDE, LH
71878CCOVER, REAR SEAT RECLINING, INNER RH
71881BOARD, REAR SEATBACK, RH
71931ASUPPORT, REAR SEAT HEADREST
71940AHEADREST ASSY, REAR SEAT
71960BHEADREST ASSY, REAR SEAT, CENTER
72057LEVER SUB-ASSY, REAR SEAT LOCK CONTROL, RH
72123CCOVER, SEAT TRACK BRACKET, OUTER FRONT RH
72127GCOVER, SEAT TRACK BRACKET, INNER FRONT RH
72137CCOVER, SEAT TRACK INNER, RH
72137DCOVER, REAR SEAT TRACK, RH
72160TRACK ASSY, REAR SEAT, OUTER RH
72170CTRACK ASSY, REAR NO.1 SEAT, INNER RH
72525CHANDLE, RECLINING ADJUSTER RELEASE, NO.1 RH
72525DHANDLE, RECLINING ADJUSTER RELEASE, NO.2 RH
72601BSTRIKER SUB-ASSY, REAR SEATBACK LOCK
72704BCABLE, REAR SEAT RECLINING CONTROL, NO.2
72830ARMREST ASSY, REAR SEAT, CENTER
72996COVER, REAR SEATBACK, RH
79011COVER SUB-ASSY, NO.1 SEAT CUSHION, RH
79013COVER SUB-ASSY, NO.1 SEATBACK, RH
79109ACLIP (FOR NO.1 SEATBACK BOARD)
79135APAD, NO.1 SEAT CUSHION, RH
79139JCLOTH, NO.1 SEAT CUSHION RH
79175EPAD, NO.1 SEATBACK, RH
7218968020
7262268010ROD, REAR SEATBACK STOPPER CONNECTING
7270260130BRACKET SUB-ASSY, REAR SEATBACK STRIKER
9010510539
9011906671
9016740044
9017906007
9017908025
9151581025
9415081000
9461211001
55 parts on this diagram · 7 diagrams in section
REAR SEAT & SEAT TRACK for Toyota WISH 163
This section contains 150 genuine Toyota parts for the REAR SEAT & SEAT TRACK system of the Toyota WISH 163. Key components include: SEAT BELT & CHILD RESTRAINT SEAT, CLIP(FOR REAR SEAT), BAND, REAR SEAT CUSHION, RH, BAND, REAR SEAT CUSHION, LH, COVER, CENTER SEAT HINGE.