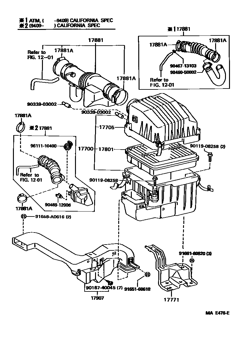
Toyota PASEO 144 — AIR CLEANER

1201VENTILATION HOSE
17700CLEANER ASSY, AIR
17705CAP SUB-ASSY, AIR CLEANER
17771BRACKET, AIR CLEANER INLET DUCT
17801ELEMENT SUB-ASSY, AIR CLEANER FILTER
17881ACLAMP(FOR AIR CLEANER HOSE, NO.1)
17907INLET SUB-ASSY, COOL AIR
9011908258
9016740045
9033903002
9046050002
9046713103
9046912006
9165160618
91656A0616
9166160820
9611110400
18 parts on this diagram · 1 diagram in section
AIR CLEANER for Toyota PASEO 144
This section contains 18 genuine Toyota parts for the AIR CLEANER system of the Toyota PASEO 144. Key components include: VENTILATION HOSE, CLEANER ASSY, AIR, CAP SUB-ASSY, AIR CLEANER, BRACKET, AIR CLEANER INLET DUCT, ELEMENT SUB-ASSY, AIR CLEANER FILTER.