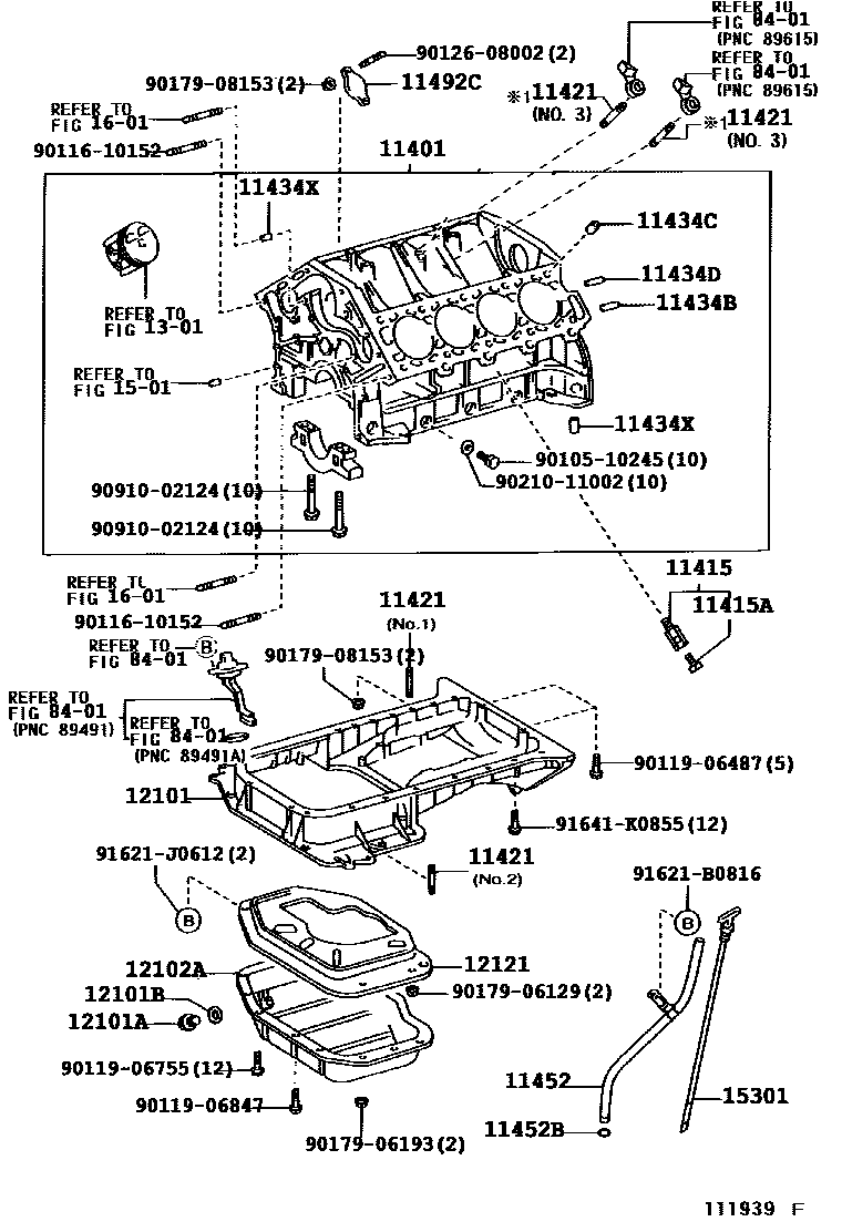
Toyota 284580 — CYLINDER BLOCK

11401BLOCK SUB-ASSY, CYLINDER
11415APLUG, WATER DRAIN COCK(FOR CYLINDER BLOCK)
11434BPIN, STRAIGHT(FOR CLUTCH HOUSING SET)
11434CPIN, STRAIGHT (FOR CYLINDER HEAD SET)
11434DPIN, STRAIGHT(FOR ENGINE REAR OIL SEAL)
11434XPIN, RING(FOR CHAIN CACE)
11452BRING, O(FOR OIL LEVEL GAGE GUIDE)
11492CPLATE, WATER SEAL
12101APLUG(FOR OIL PAN DRAIN)
12101BGASKET(FOR OIL PAN DRAIN PLUG)
12102APAN SUB-ASSY, OIL, NO.2
12121PLATE, OIL PAN BAFFLE, NO.1
1301CRANKSHAFT & PISTON
1501ENGINE OIL PUMP
15301GAGE SUB-ASSY, OIL LEVEL
1601WATER PUMP
8401SWITCH & RELAY & COMPUTER
9010510245
9011610152
9011906487
9011906755
9011906847
9012608002
9017906129
9017906193
9017908153
9021011002
9091002124
91621B0816
91621J0612
91641K0855
35 parts on this diagram · 1 diagram in section
CYLINDER BLOCK for Toyota 284580
This section contains 35 genuine Toyota parts for the CYLINDER BLOCK system of the Toyota 284580. Key components include: BLOCK SUB-ASSY, CYLINDER, COCK SUB-ASSY, WATER DRAIN(FOR CYLINDER BLOCK), PLUG, WATER DRAIN COCK(FOR CYLINDER BLOCK), BOLT, STUD(FOR OIL PAN), PIN, STRAIGHT(FOR CLUTCH HOUSING SET).