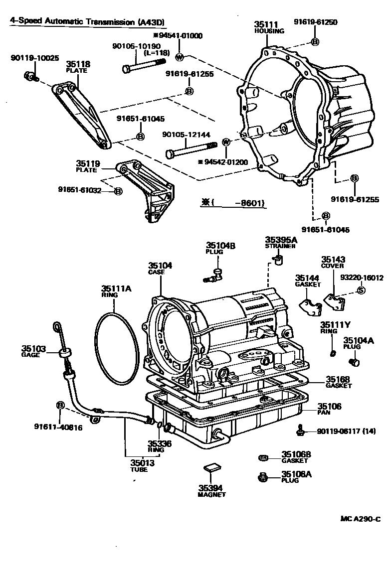
Toyota HILUX 671 — TRANSMISSION CASE & OIL PAN (ATM)

35104CASE SUB-ASSY, AUTOMATIC TRANSMISSION
35104APLUG, AUTOMATIC TRANSMISSION CASE
35104BPLUG, BREATHER, NO.1 (ATM)
35106APLUG SUB-ASSY, DRAIN (ATM)
35106BGASKET, DRAIN PLUG (ATM)
35111ARING, O (FOR AUTOMATIC TRANSMISSION HOUSING)
35111YRING, O (FOR AUTOMATIC TRANSMISSION CASE)
35143COVER, TRANSMISSION CASE, REAR
35144GASKET, TRANSMISSION CASE REAR COVER
35168GASKET, AUTOMATIC TRANSMISSION OIL PAN
35336RING, O (FOR TRANSMISSION OIL FILLER TUBE)
35394MAGNET, OIL CLEANER (FOR TRANSMISSION)
35395ASTRAINER, GOVERNOR OIL
9010510190
9010512144
9011906117
9011910025
9161140816
9161961250
9161961255
9165161032
9165161045
9322016012
9454101000
9454201200
31 parts on this diagram · 2 diagrams in section
TRANSMISSION CASE & OIL PAN (ATM) for Toyota HILUX 671
This section contains 43 genuine Toyota parts for the TRANSMISSION CASE & OIL PAN (ATM) system of the Toyota HILUX 671. Key components include: TUBE SUB-ASSY, TRANSMISSION OIL FILLER, GAGE SUB-ASSY, TRANSMISSION OIL LEVEL, CASE SUB-ASSY, AUTOMATIC TRANSMISSION, PLUG, AUTOMATIC TRANSMISSION CASE, PLUG, BREATHER, NO.1 (ATM).