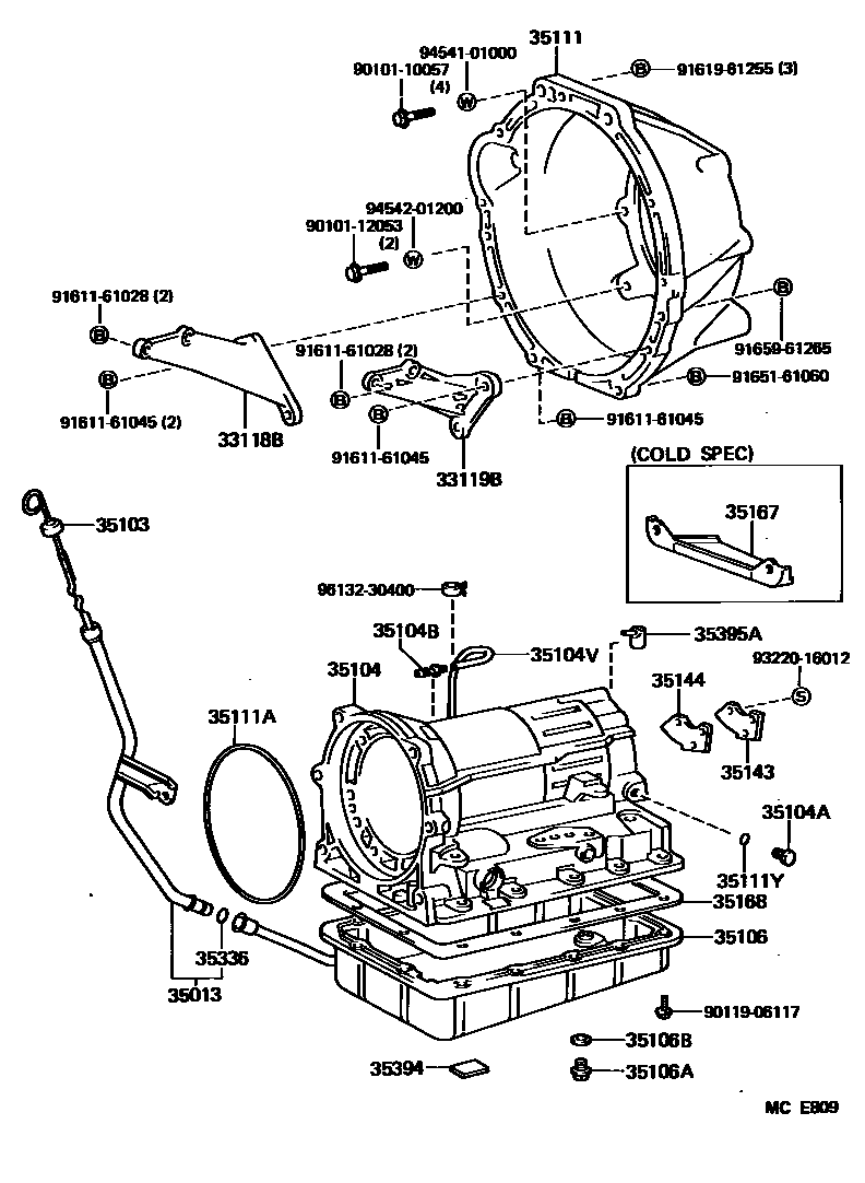
Toyota 231120 — TRANSMISSION CASE & OIL PAN (ATM)

33118BPLATE, STIFFENER, RH(ATM)
33119BPLATE, STIFFENER, LH(ATM)
35104CASE SUB-ASSY, AUTOMATIC TRANSMISSION
35104APLUG, AUTOMATIC TRANSMISSION CASE
35104BPLUG, BREATHER, NO.1 (ATM)
35104VHOSE (FOR BREATHER PLUG)
35106APLUG SUB-ASSY, DRAIN (ATM)
35106BGASKET, DRAIN PLUG (ATM)
35111ARING, O (FOR AUTOMATIC TRANSMISSION HOUSING)
35111YRING, O (FOR AUTOMATIC TRANSMISSION CASE)
35143COVER, TRANSMISSION CASE, REAR
35144GASKET, TRANSMISSION CASE REAR COVER
35167PROTECTOR, TRANSMISSION OIL PAL
35168GASKET, AUTOMATIC TRANSMISSION OIL PAN
35336RING, O (FOR TRANSMISSION OIL FILLER TUBE)
35394MAGNET, OIL CLEANER (FOR TRANSMISSION)
35395ASTRAINER, GOVERNOR OIL
9010110057
9010112053
9011906117
9161161028
9161161045
9161961255
9165161060
9165961265
9322016012
9454101000
9454201200
9613230400
33 parts on this diagram · 2 diagrams in section
TRANSMISSION CASE & OIL PAN (ATM) for Toyota 231120
This section contains 37 genuine Toyota parts for the TRANSMISSION CASE & OIL PAN (ATM) system of the Toyota 231120. Key components include: PLATE, STIFFENER, RH(ATM), PLATE, STIFFENER, LH(ATM), TUBE SUB-ASSY, TRANSMISSION OIL FILLER, GAGE SUB-ASSY, TRANSMISSION OIL LEVEL, CASE SUB-ASSY, AUTOMATIC TRANSMISSION.