Toyota 713110 — SPEAKER

8606CAMERA & REAR MONITOR DISPLAY
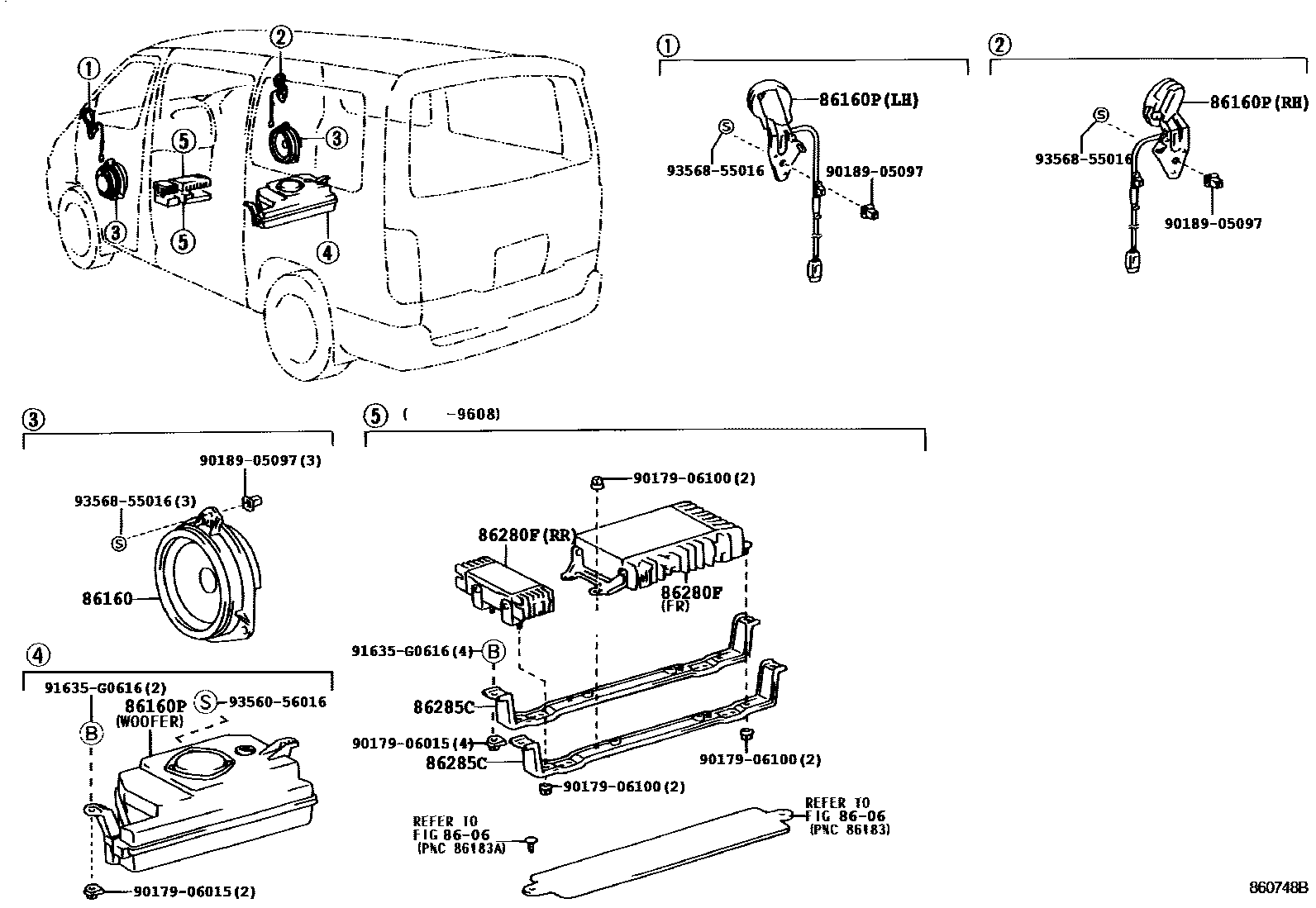
86160SPEAKER ASSY, FRONT NO.1
86160PSPEAKER ASSY, FRONT NO.2
86280FAMPLIFIER ASSY, STEREO COMPONENT
86285CBRACKET, AMPLIFIER, NO.1
9017906015
9017906100
9018905097
91635G0616
9356056016
9356855016
11 parts on this diagram · 2 diagrams in section
SPEAKER for Toyota 713110
This section contains 16 genuine Toyota parts for the SPEAKER system of the Toyota 713110. Key components include: CAMERA & REAR MONITOR DISPLAY, SPEAKER ASSY, FRONT NO.1, SPEAKER ASSY, REAR, SPEAKER ASSY, FRONT NO.2, SPEAKER ASSY, ROOF.