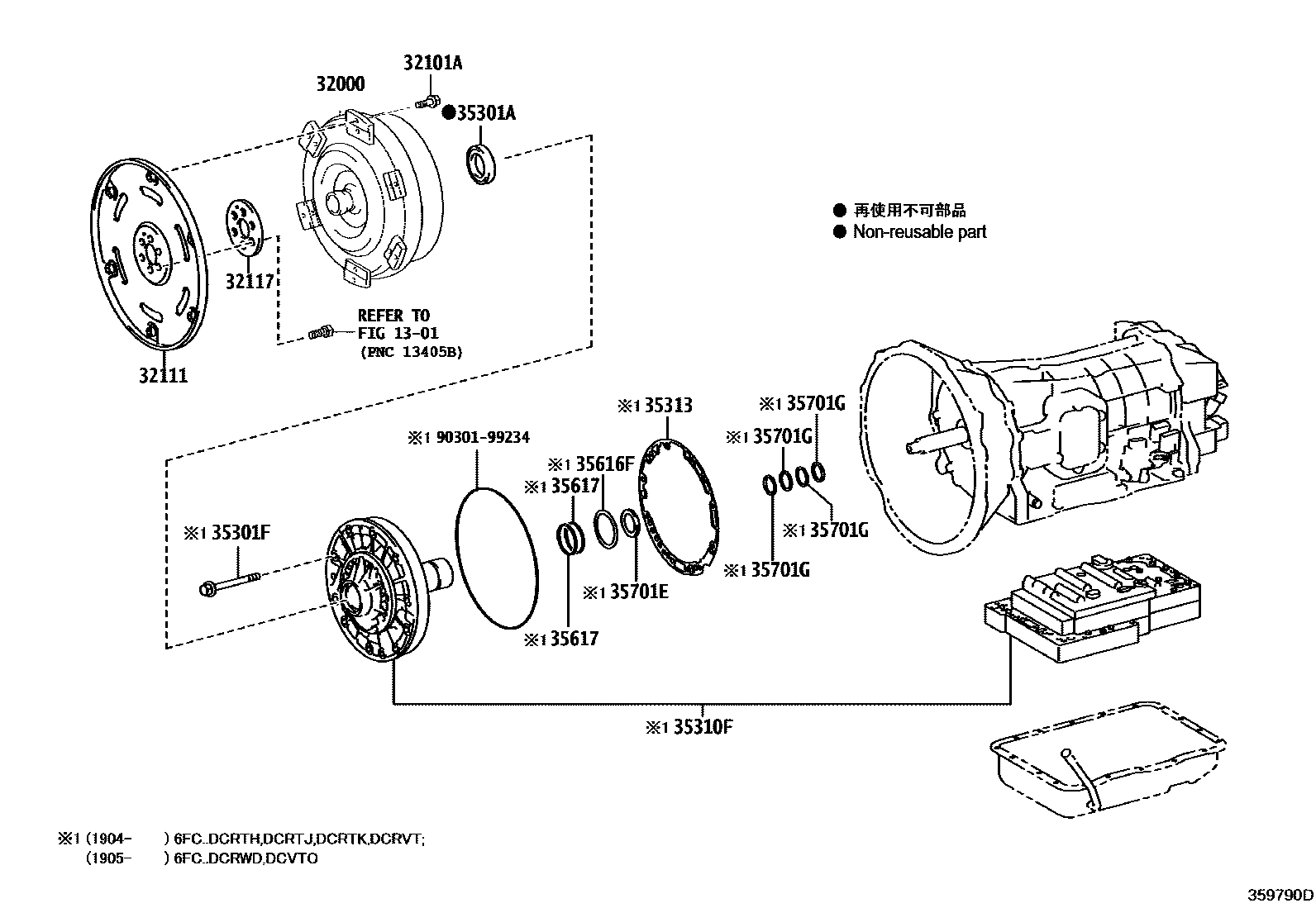
Toyota 752120 — TORQUE CONVERTER, FRONT OIL PUMP & CHAIN (ATM)

1301CRANKSHAFT & PISTON
32000CONVERTER ASSY, TORQUE
32101ABOLT(FOR DRIVE PLATE & TORQUE CONVERTER SETTING)
32117SPACER, DRIVE PLATE, REAR
35301ASEAL, OIL (FOR FRONT OIL PUMP)
35301FBOLT (FOR FRONT OIL PUMP SETTING)
35310FPUMP ASSY, FRONT OIL
35313GASKET, FRONT OIL PUMP COVER
35616FWASHER, CLUTCH DRUM THRUST
35617RING, CLUTCH DRUM OIL SEAL
35701ERACE, THRUST BEARING (FOR INPUT SHAFT FRONT)
35701GRING, INPUT SHAFT OIL SEAL
9030199234
14 parts on this diagram · 1 diagram in section
TORQUE CONVERTER, FRONT OIL PUMP & CHAIN (ATM) for Toyota 752120
This section contains 14 genuine Toyota parts for the TORQUE CONVERTER, FRONT OIL PUMP & CHAIN (ATM) system of the Toyota 752120. Key components include: CRANKSHAFT & PISTON, CONVERTER ASSY, TORQUE, BOLT(FOR DRIVE PLATE & TORQUE CONVERTER SETTING), PLATE, PUMP IMPELLER DRIVE, SPACER, DRIVE PLATE, REAR.