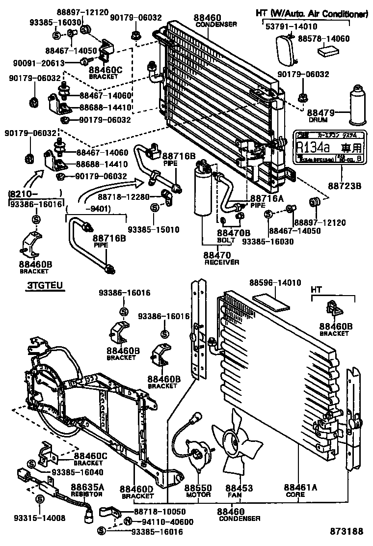
Toyota 231110 — HEATING & AIR CONDITIONING - COOLER PIPING

88453FAN, COOLING (FOR CONDENSER)
88460CONDENSER ASSY, COOLER
88460BBRACKET, COOLER CONDENSER, NO.1
88460CBRACKET, COOLER CONDENSER, NO.2
88460DBRACKET, COOLER CONDENSER, NO.3
88461ACORE, COOLER CONDENSER
88470RECEIVER & DRYER ASSY, COOLER
88470BBOLT, FUSE
88550MOTOR ASSY, BLOWER (FOR CONDENSER)
88635ARESISTOR, BLOWER (FOR COOLER CONDENSER MOTOR)
88716APIPE, COOLER REFRIGERANT LIQUID, A
88716BPIPE, COOLER REFRIGERANT LIQUID, B
88723BLABEL, COOLER SERVICE CAUTION
5379114010COVER, COOL AIR INTAKE HOLE
8846714050CUSHION, COOLER CONDENSER, NO.1
8846714060CUSHION, COOLER CONDENSER, NO.1
8857814060PAKING, COOLER AIR DUCT
8859614010PULLEY ASSY, IDLE, NO.2
8868814410BRACKET, COOLER DIAPHRAGM
8871810050PIPE, COOLER REFRIGERANT SUCTION, NO.2
8871812280PIPE, COOLER REFRIGERANT SUCTION, NO.2
8889712120VALVE, COOLER MAGNET
9009120613
9017906032
9331514008
9338515010
9338516016
9338516030
9338516040
9338616016
9411040600
32 parts on this diagram · 10 diagrams in section
HEATING & AIR CONDITIONING - COOLER PIPING for Toyota 231110
This section contains 95 genuine Toyota parts for the HEATING & AIR CONDITIONING - COOLER PIPING system of the Toyota 231110. Key components include: FAN, COOLING (FOR CONDENSER), CONDENSER ASSY, COOLER, BRACKET, COOLER CONDENSER, NO.1, BRACKET, COOLER CONDENSER, NO.2, BRACKET, COOLER CONDENSER, NO.3.