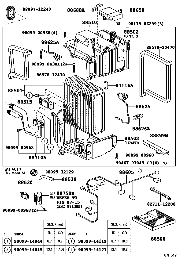
Toyota 151110 — HEATING & AIR CONDITIONING - COOLER UNIT

87116ASPRING, HOLDING (FOR COOLER UNIT CASE)
8715HEATING & AIR CONDITIONING - CONTROL & AIR DUCT
88508FILTER SUB-ASSY, CLEAN AIR
88510UNIT ASSY, COOLER
88605HARNESS SUB-ASSY, COOLER WIRING, NO.1
88625ATHERMISTOR, COOLER NO.2
88626AHOLDER, THERMISTOR
88630RELAY ASSY, COOLER
88650AMPLIFIER ASSY, COOLER STABILIZER
88688ABRACKET, COOLER STABILIZER AMPLIFIER
88710ATUBE ASSY, AIR CONDITIONER
88750BTRANSISTOR ASSY, BLOWER RESISTOR
88899MPLATE, COVER(FOR AIR FILTER)
8271112200WIRE, FUSE TO FUSE(FOR COMBUSTION HEATER)
8857812470PAKING, COOLER AIR DUCT
8857820470PAKING, COOLER AIR DUCT
8889712240VALVE, COOLER MAGNET
9009900968
9009904381
9009914044
9009914045
9009914119
9009914121
9009932129
9017906239
9046707043C0
31 parts on this diagram · 4 diagrams in section
HEATING & AIR CONDITIONING - COOLER UNIT for Toyota 151110
This section contains 40 genuine Toyota parts for the HEATING & AIR CONDITIONING - COOLER UNIT system of the Toyota 151110. Key components include: SPRING, HOLDING (FOR COOLER UNIT CASE), RESISTOR, BLOWER, HEATING & AIR CONDITIONING - CONTROL & AIR DUCT, EVAPORATOR SUB-ASSY, COOLER, NO.1, CASE SUB-ASSY, COOLING UNIT.