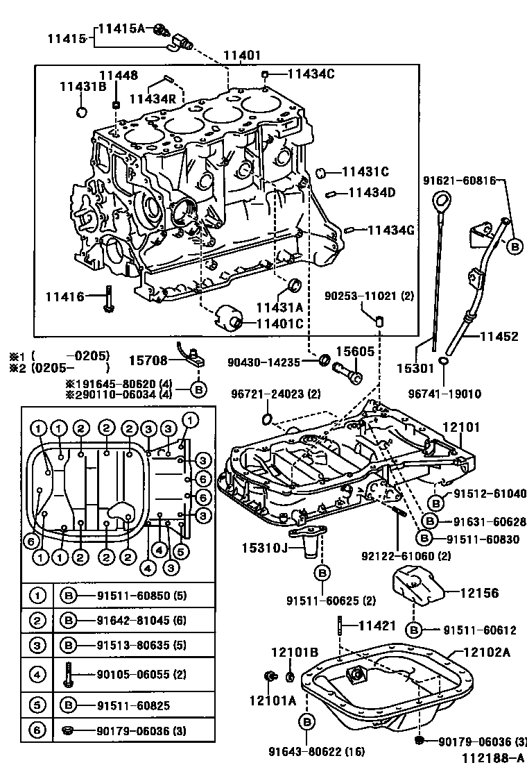
Toyota 157230 — CYLINDER BLOCK

11401BLOCK SUB-ASSY, CYLINDER
11401CFLANGE(FOR WATER BY-PASS)
11415APLUG, WATER DRAIN COCK(FOR CYLINDER BLOCK)
11431APLUG, TIGHT, NO.1(FOR CYLINDER BLOCK)
11431BPLUG, TIGHT, NO.2(FOR CYLINDER BLOCK)
11431CPLUG, TIGHT, NO.3(FOR CYLINDER BLOCK)
11434CPIN, STRAIGHT (FOR CYLINDER HEAD SET)
11434DPIN, STRAIGHT(FOR ENGINE REAR OIL SEAL)
11434GPIN, STRAIGHT(FOR END PLATE)
11434RPIN, STRAIGHT(FOR DRIVE SHAFT BEARING BRACKET)
11448ORIFICE, CYLINDER BLOCK OIL
12101APLUG(FOR OIL PAN DRAIN)
12101BGASKET(FOR OIL PAN DRAIN PLUG)
12102APAN SUB-ASSY, OIL, NO.2
12156INSULATOR, OIL PAN
15310JREGULATOR ASSY, OIL
15605VALVE SUB-ASSY, OIL CHECK
9010506055
9011006034
9017906036
9025311021
9043014235
9151160612
9151160625
9151160825
9151160830
9151160850
9151261040
9151380635
9162160816
9163160628
9164281045
9164380622
9164580620
9212261060
9672124023
9674119010
44 parts on this diagram · 2 diagrams in section
CYLINDER BLOCK for Toyota 157230
This section contains 60 genuine Toyota parts for the CYLINDER BLOCK system of the Toyota 157230. Key components include: TIMING GEAR COVER & REAR END PLATE, COVER, FLYWHEEL HOUSING UNDER, BLOCK SUB-ASSY, CYLINDER, FLANGE(FOR WATER BY-PASS), SEAL, ENGINE REAR OIL.