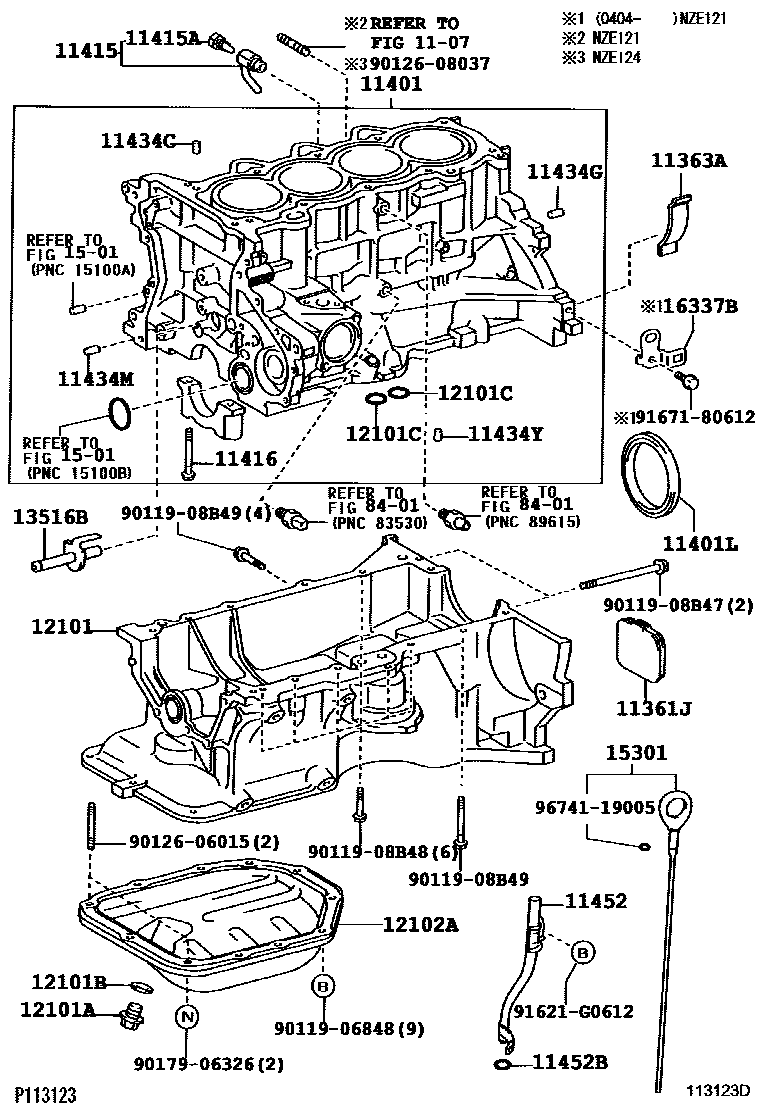
Toyota COROLLA RUNX/ALLEX 153 — CYLINDER BLOCK

1107MOUNTING
11361JCOVER, FLYWHEEL HOUSING UNDER
11363ACOVER, FLYWHEEL HOUSING SIDE
11401BLOCK SUB-ASSY, CYLINDER
11401LSEAL, ENGINE REAR OIL
11415APLUG, WATER DRAIN COCK(FOR CYLINDER BLOCK)
11434CPIN, STRAIGHT (FOR CYLINDER HEAD SET)
11434GPIN, STRAIGHT(FOR END PLATE)
11434MPIN, STRAIGHT(FOR CHAIN TENSIONER)
11434YPIN, STRAIGHT(FOR OIL PAN)
11452BRING, O(FOR OIL LEVEL GAGE GUIDE)
12101APLUG(FOR OIL PAN DRAIN)
12101BGASKET(FOR OIL PAN DRAIN PLUG)
12101CRING, O(FOR OIL PAN)
12102APAN SUB-ASSY, OIL, NO.2
13516BJET, OIL
1501ENGINE OIL PUMP
16337BSTAY, WATER OUTLET, NO.1
8401SWITCH & RELAY & COMPUTER
9011906848
9011908B47
9011908B48
9011908B49
9012606015
9012608037
9017906326
91621G0612
9167180612
9674119005
34 parts on this diagram · 3 diagrams in section
CYLINDER BLOCK for Toyota COROLLA RUNX/ALLEX 153
This section contains 62 genuine Toyota parts for the CYLINDER BLOCK system of the Toyota COROLLA RUNX/ALLEX 153. Key components include: TIMING GEAR COVER & REAR END PLATE, MOUNTING, COVER, FLYWHEEL HOUSING UNDER, COVER, FLYWHEEL HOUSING SIDE, BLOCK SUB-ASSY, CYLINDER.