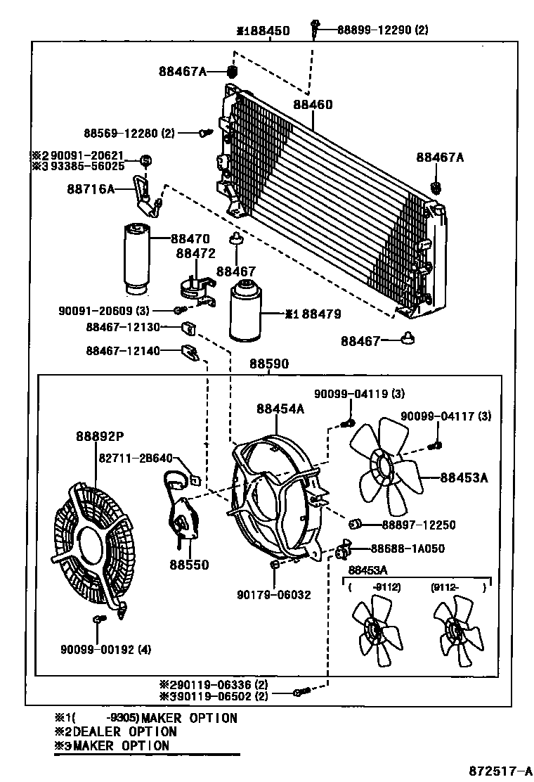
Toyota 2822A0 — HEATING & AIR CONDITIONING - COOLER PIPING

88450CONDENSER ASSY, W/RECEIVER
88453AFAN, COOLING
88454ASHROUD, FAN
88467ACUSHION, COOLER CONDENSER, NO.2
88472BRACKET, RECEIVER TANK, NO.1
88716APIPE, COOLER REFRIGERANT LIQUID, A
88892PNET, FAN SHROUD
827112B640WIRE, FUSE TO FUSE(FOR COMBUSTION HEATER)
8846712130CUSHION, COOLER CONDENSER, NO.1
8846712140CUSHION, COOLER CONDENSER, NO.1
8856912280CLAMP (FOR COOLER RELAY)
886881A050BRACKET, COOLER DIAPHRAGM
8889712250VALVE, COOLER MAGNET
8889912290COVER, EVAPORATOR
9009120609
9009120621
9009900192
9009904117
9009904119
9011906336
9011906502
9017906032
9338556025
29 parts on this diagram · 5 diagrams in section
HEATING & AIR CONDITIONING - COOLER PIPING for Toyota 2822A0
This section contains 76 genuine Toyota parts for the HEATING & AIR CONDITIONING - COOLER PIPING system of the Toyota 2822A0. Key components include: VALVE, SERVICE, NO.1, VALVE, SERVICE, NO.2, CAP, SERVICE VALVE (FOR COOLER PIPE), CAP, SERVICE VALVE, NO.1, CONDENSER ASSY, W/RECEIVER.