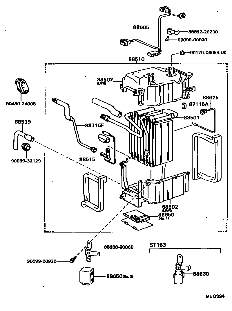
Toyota 221130 — HEATING & AIR CONDITIONING - COOLER UNIT

87116ASPRING, HOLDING (FOR COOLER UNIT CASE)
88501EVAPORATOR SUB-ASSY, COOLER, NO.1
88515VALVE, COOLER EXPANSION
88539HOSE, COOLER UNIT DRAIN, NO.1
88605HARNESS SUB-ASSY, COOLER WIRING, NO.1
88625THERMISTOR, COOLER, NO.1
88716FPIPE, COOLER REFRIGERANT LIQUID, F
8868820860BRACKET, COOLER DIAPHRAGM
8889220230BRACKET, COOLER EVAPORATOR MOUNTING
9009900930
9009932129
9017906054
9048024008
17 parts on this diagram · 1 diagram in section
HEATING & AIR CONDITIONING - COOLER UNIT for Toyota 221130
This section contains 17 genuine Toyota parts for the HEATING & AIR CONDITIONING - COOLER UNIT system of the Toyota 221130. Key components include: SPRING, HOLDING (FOR COOLER UNIT CASE), EVAPORATOR SUB-ASSY, COOLER, NO.1, CASE SUB-ASSY, COOLING UNIT, UNIT ASSY, COOLER, VALVE, COOLER EXPANSION.