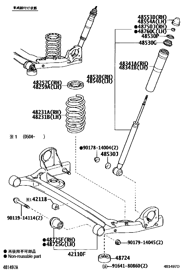
Toyota ALPHARD G/V 713 — REAR SPRING & SHOCK ABSORBER

42110FBEAM ASSY, REAR AXLE
42118DAMPER, REAR AXLE BEAM
48231ASPRING, COIL, REAR RH
48231BSPRING, COIL, REAR LH
48257CINSULATOR, REAR COIL SPRING, UPPER RH
48259AINSULATOR, REAR COIL SPRING, UPPER LH
48341ABUMPER, REAR SPRING, NO.1 RH
48341BBUMPER, REAR SPRING, NO.1 LH
48530ABSORBER ASSY, SHOCK, REAR RH
48530GCUSHION, REAR SHOCK ABSORBER, NO.1
48530JRETAINER, CUSHION, NO.1(FOR REAR SHOCK ABSORBER)
48530PRETAINER, CUSHION, NO.2(FOR REAR SHOCK ABSORBER)
48540ABSORBER ASSY, SHOCK, REAR LH
48553DCAP, REAR SHOCK ABSORBER, RH
48554ACAP, REAR SHOCK ABSORBER, LH
48724DAMPER, LWR CONTROL ARM DYNAMIC
48725FBUSH, REAR AXLE CARRIER, RH
48725GBUSH, REAR AXLE CARRIER, LH
48750JNUT(FOR REAR SUPPORT TO REAR SHOCK ABSORBER RH)
48760CNUT(FOR REAR SUPPORT TO REAR SHOCK ABSORBER LH)
9011914114
9017814004
9017914045
9164180860
24 parts on this diagram · 3 diagrams in section
REAR SPRING & SHOCK ABSORBER for Toyota ALPHARD G/V 713
This section contains 25 genuine Toyota parts for the REAR SPRING & SHOCK ABSORBER system of the Toyota ALPHARD G/V 713. Key components include: BEAM ASSY, REAR AXLE, DAMPER, REAR AXLE BEAM, HEIGHT CONTROL (AUTO-LEVELER), SPRING, COIL, REAR RH, SPRING, COIL, REAR LH.