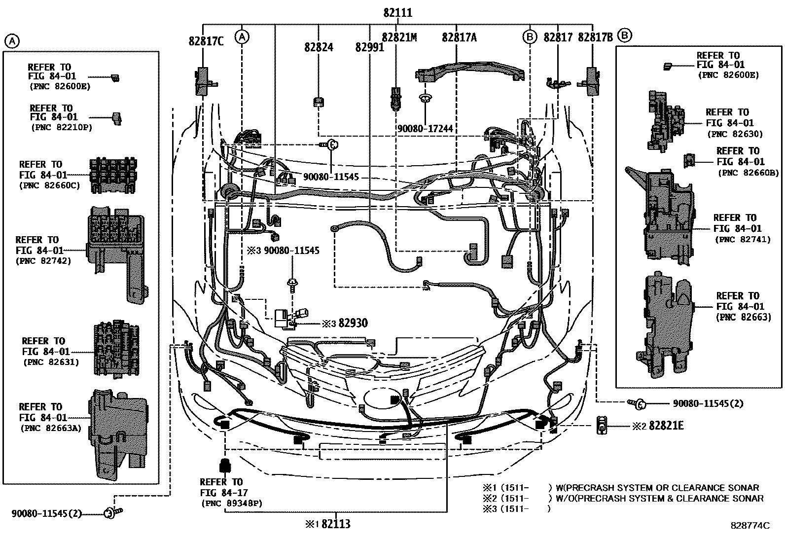
WIRING & CLAMP

82111WIRE, ENGINE ROOM MAIN
AUDIO-*DA & 6SPEAKER & *BT & USB; AUDIO-*DA & 6SPEAKER & *BT & USB&CLEARANCE & BACK SONAR-WITH; CLEARANCE & BACK SONAR-WITH
main82111-0R261supersedes 82111-0R160iASA42..USA;ASA44..(LIMD,XLE)..USA; ASA44..LE..USA201312-201511
BACK MONITOR-WITH; CLEARANCE & BACK SONAR-WITH; CLEARANCE & BACK SONAR-WITH&BACK MONITOR-WITH; MEXICO SPEC; MEXICO SPEC&BACK MONITOR-WITH; MEXICO SPEC&CLEARANCE & BACK SONAR-WITH; MEXICO SPEC&CLEARANCE & BACK SONAR-WITH&BACK MONITOR-WITH
ADVENTURE PKG(REAR RAV4 EMBLEM = BLACK)&WINDSHIELD DEICER-WITH
HEADLAMP-LED; HEADLAMP-LED & WITH(*AHB)
HEADLAMP-LED; HEADLAMP-LED & WITH(*AHB)
HEADLAMP-LED; HEADLAMP-LED & WITH(*AHB)
HEADLAMP-LED; HEADLAMP-LED & WITH(*AHB)
82113WIRE, ENGINE ROOM, NO.3
PRE-COLLISION SYSTEM-WITHOUT
CLEARANCE & BACK SONAR-WITH(FRONT & REAR)
PRE-COLLISION SYSTEM-WITH&CLEARANCE & BACK SONAR-WITH(FRONT & REAR)
PRE-COLLISION SYSTEM-WITH&CLEARANCE & BACK SONAR-WITH(FRONT & REAR)&BACK MONITOR-WITH(*PVM)
82817PROTECTOR, WIRING HARNESS, NO.1
82817APROTECTOR, WIRING HARNESS, NO.2
82817BPROTECTOR, WIRING HARNESS, NO.3
82817CPROTECTOR, WIRING HARNESS, NO.4
82821ECOVER, CONNECTOR
PRE-COLLISION SYSTEM-WITHOUT
82821MCOVER, CONNECTOR
82824CONNECTOR, WIRING HARNESS
82930CONDENSER ASSY, WIRING HARNESS, NO.1
82991WIRE, FUSIBLE LINK REPAIR
8401SWITCH & RELAY & COMPUTER
8417CLEARANCE & BACK SONAR
9008011545
main90080-11545
9008017244
main90080-17244
15 parts on this diagram · 10 diagrams in section