E
EPC Data
Pricing
Sign In
Home
›
US
›
281420
›
WATER PUMP
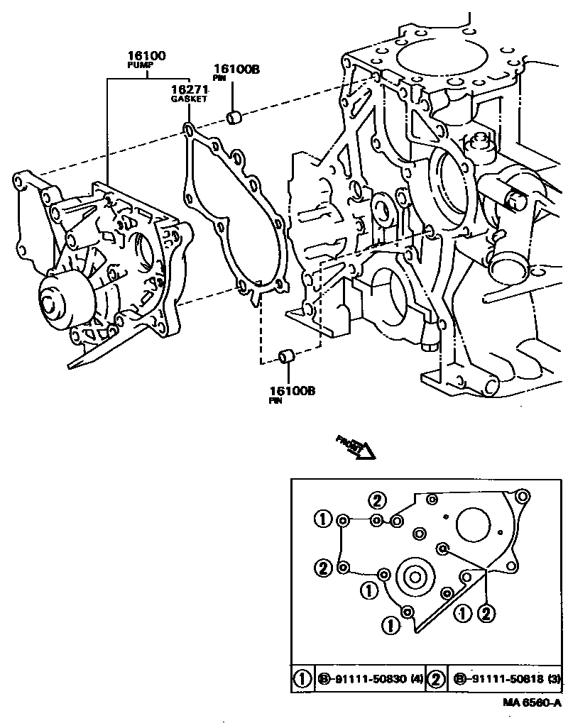
WATER PUMP
0001 1
0002 1
16100
PUMP ASSY, ENGINE WATER
main
16100-69075
i
2SELC..SV11
198301-198607
main
16100-69085
i
1CTLC,2CTLC..CV1#
198308-198607
16100B
PIN, RING(FOR WATER PUMP SET)
main
90253-11021
×2
i
1CTLC,2CTLC..CV1#
198308-198607
16271
GASKET, WATER PUMP
main
16271-64010
i
1CTLC,2CTLC..CV1#
198308-198607
9111150818
main
91111-50818
9111150830
main
91111-50830
5 parts on this diagram · 2 diagrams in section
WATER PUMP — Toyota Parts Diagram with OEM Numbers & Prices | EPC Data