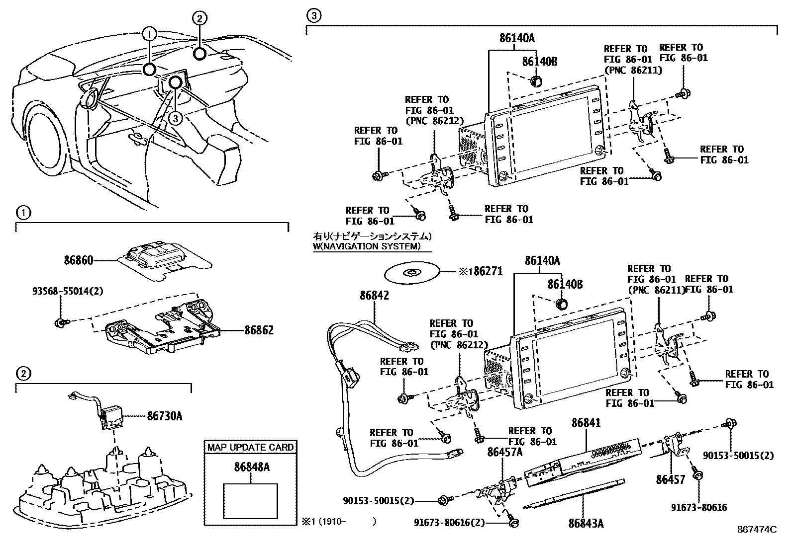
NAVIGATION & FRONT MONITOR DISPLAY

8601RADIO RECEIVER & AMPLIFIER & CONDENSER
86140ARECEIVER ASSY, RADIO & DISPLAY
PIONEER; PIONEER,AUDIO-8INCH 6SPEAKER & DAB
PIONEER
PIONEER; PIONEER,AUDIO-8INCH 6SPEAKER & DAB
DENSO TEN
DENSO TEN; DENSO TEN,CENTRAL AMERICA 1 SPEC; DENSO TEN,CENTRAL AMERICA 2 SPEC
DENSO TEN
DENSO TEN,AUDIO-8INCH JBL
DENSO TEN,NEW ZEALAND SPEC
PANASONIC,MAURITIUS SPEC; PANASONIC,SOUTH AFRICA SPEC
PIONEER,AUDIO-8INCH 6SPEAKER; PIONEER,CENTRAL AMERICA 1 SPEC; PIONEER,CENTRAL AMERICA 2 SPEC; PIONEER,HIGH GRADE PACKAGE&AUDIO-8INCH 6SPEAKER
DENSO TEN; DENSO TEN,AUDIO-8INCH 6SPEAKER; DENSO TEN,FIJI SPEC
PIONEER,AUDIO-8INCH 6SPEAKER & DAB & JBL 9SPEAKER
DENSO TEN,SOUTH AFRICA SPEC; DENSO TEN,SOUTH AFRICA SPEC&AUDIO-8INCH 6SPEAKER
DENSO TEN; DENSO TEN,AUDIO-8INCH 6SPEAKER; DENSO TEN,FIJI SPEC
PIONEER,AUDIO-8INCH 6SPEAKER & DAB & JBL 9SPEAKER
PIONEER,CENTRAL AMERICA 1 SPEC; PIONEER,CENTRAL AMERICA 2 SPEC; PIONEER,HIGH GRADE PACKAGE&AUDIO-8INCH 6SPEAKER
PIONEER; PIONEER,AUDIO-8INCH 6SPEAKER; PIONEER,CENTRAL AMERICA 1 SPEC&AUDIO-8INCH 6SPEAKER; PIONEER,CENTRAL AMERICA 2 SPEC&AUDIO-8INCH 6SPEAKER
DENSO TEN,MAURITIUS SPEC&AUDIO-ENTRY *DA 8INCH 6SPEAKER; DENSO TEN,SOUTH AFRICA SPEC&AUDIO-ENTRY *DA 8INCH 6SPEAKER
DENSO TEN,MAURITIUS SPEC&AUDIO-ENTRY *DA 8INCH 6SPEAKER; DENSO TEN,SOUTH AFRICA SPEC&AUDIO-ENTRY *DA 8INCH 6SPEAKER
86140BKNOB, RADIO & DISPLAY RECEIVER SWITCH
main90010-22129×2supersedes 90010-23057iZRE212..CVT..D; ZRE212..LHD..CVT..L; ZRE212..RHD..L;MZEA12,ZWE211..L201901-202004
AUDIO-8INCH 6SPEAKER; HIGH GRADE PACKAGE&AUDIO-8INCH 6SPEAKER
main90010-23057×2supersedes 90010-23068iMZEA12..D; MZEA12..L; ZRE212..RHD..L; ZWE211..ARL202004-202208
AUDIO-8INCH 6SPEAKER; FIJI SPEC; SOUTH AFRICA SPEC; SOUTH AFRICA SPEC&AUDIO-8INCH 6SPEAKER
MAURITIUS SPEC; SOUTH AFRICA SPEC
86271DISC, DISC PLAYER
AUDIO-8INCH 6SPEAKER & DAB
AUDIO-8INCH 6SPEAKER; AUDIO-8INCH 6SPEAKER & DAB
AUDIO-8INCH 6SPEAKER; AUDIO-8INCH 6SPEAKER & DAB
86457BRACKET, MULTI-MEDIA MODULE NO.1
AUDIO-8INCH 6SPEAKER; AUDIO-8INCH 6SPEAKER & DAB; SOUTH AFRICA SPEC&AUDIO-8INCH 6SPEAKER
86457ABRACKET, MULTI-MEDIA MODULE NO.2
AUDIO-8INCH 6SPEAKER; AUDIO-8INCH 6SPEAKER & DAB; SOUTH AFRICA SPEC&AUDIO-8INCH 6SPEAKER
86730AMICROPHONE ASSY, TELEPHONE
86841COMPUTER, NAVIGATION
AUDIO-8INCH 6SPEAKER; AUDIO-8INCH 6SPEAKER & DAB; SOUTH AFRICA SPEC&AUDIO-8INCH 6SPEAKER
AUDIO-8INCH 6SPEAKER; AUDIO-8INCH 6SPEAKER & DAB; SOUTH AFRICA SPEC&AUDIO-8INCH 6SPEAKER
AUDIO-8INCH 6SPEAKER; AUDIO-8INCH 6SPEAKER & DAB; SOUTH AFRICA SPEC&AUDIO-8INCH 6SPEAKER
AUDIO-8INCH 6SPEAKER; AUDIO-8INCH 6SPEAKER & DAB; SOUTH AFRICA SPEC&AUDIO-8INCH 6SPEAKER
AUDIO-8INCH 6SPEAKER; AUDIO-8INCH 6SPEAKER & DAB; SOUTH AFRICA SPEC&AUDIO-8INCH 6SPEAKER
86842WIRE, NAVIGATION, NO.1
AUDIO-8INCH 6SPEAKER; AUDIO-8INCH 6SPEAKER & DAB; SOUTH AFRICA SPEC&AUDIO-8INCH 6SPEAKER
86843ACOVER, NAVIGATION COMPUTER
AUDIO-8INCH 6SPEAKER; AUDIO-8INCH 6SPEAKER & DAB; SOUTH AFRICA SPEC&AUDIO-8INCH 6SPEAKER
86848ACARD, SERIAL NUMBER MAP UPDATE
AUDIO-8INCH 6SPEAKER & DAB
86860ANTENNA ASSY, NAVIGATION
main86860-78010supersedes 86880-42010iMZEA12,ZWE21#;ZRE212..RHD..L; ZRE212..LHD..CVT..L; ZRE212..RHD..D202004-202208
AUDIO-8INCH 6SPEAKER; HIGH GRADE PACKAGE
86862BRACKET, NAVIGATION ANTENNA
AUDIO-8INCH 6SPEAKER; HIGH GRADE PACKAGE
AUDIO-8INCH 6SPEAKER; HIGH GRADE PACKAGE
9015350015
main90153-50015
9167380616
main91673-80616
9356855014
main93568-55014
16 parts on this diagram · 2 diagrams in section