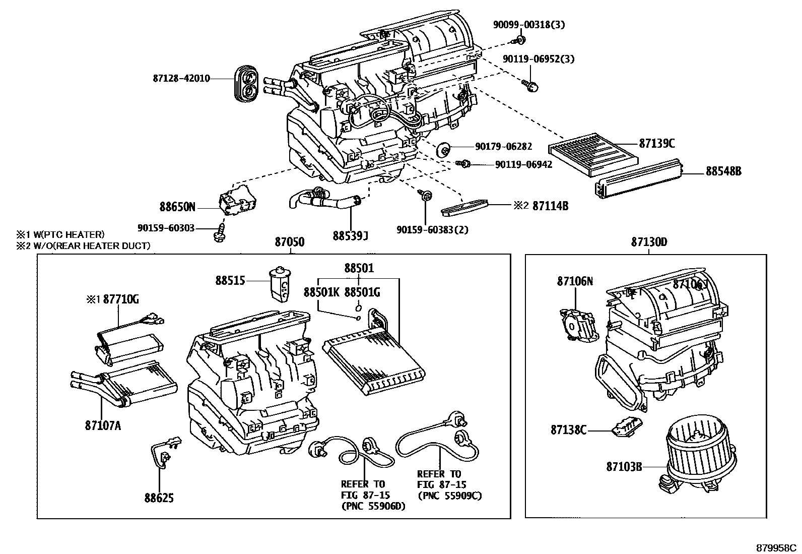
HEATING & AIR CONDITIONING - COOLER UNIT

87050RADIATOR ASSY, AIR CONDITIONER
AIR CONDITIONER-AUTO
AIR CONDITIONER-AUTO
COLD AREA SPEC&AIR CONDITIONER-AUTO
COLD AREA SPEC&AIR CONDITIONER-AUTO
GUAM,SAIPAN SPEC
COLD AREA SPEC
COLD AREA SPEC
87103BMOTOR SUB-ASSY, BLOWER W/FAN
AIR CONDITIONER-AUTO; COLD AREA SPEC&AIR CONDITIONER-AUTO
87106JSERVO SUB-ASSY, DAMPER(FOR MODE)
AIR CONDITIONER-AUTO; COLD AREA SPEC&AIR CONDITIONER-AUTO
87106NSERVO SUB-ASSY, DAMPER(FOR RECIRCULATION)
AIR CONDITIONER-AUTO; COLD AREA SPEC&AIR CONDITIONER-AUTO
KOREA SPEC
87107AUNIT SUB-ASSY, HEATER RADIATOR
87114BCOVER, HEATER
COLD AREA SPEC
87130DBLOWER ASSY
AIR CONDITIONER-AUTO
AIR CONDITIONER-AUTO
COLD AREA SPEC&AIR CONDITIONER-AUTO
COLD AREA SPEC&AIR CONDITIONER-AUTO
GUAM,SAIPAN SPEC
COLD AREA SPEC
COLD AREA SPEC
87138CRESISTOR, BLOWER
87139CFILTER, CLEAN AIR
DEODORANT FILTER
*DPF
MICRO DUST FILTER
8715HEATING & AIR CONDITIONING - CONTROL & AIR DUCT
87710GQUICK HEATER ASSY
COLD AREA SPEC; COLD AREA SPEC&AIR CONDITIONER-AUTO
88501EVAPORATOR SUB-ASSY, COOLER, NO.1
88501GO-RING, COOLER EVAPORATOR NO.1(SUCTION)
ID=13.4,OD=18.2
88501KO-RING, COOLER EVAPORATOR NO.1(LIQUID)
ID=10.8,OD=15.6
88515VALVE, COOLER EXPANSION
88539JHOSE, DRAIN COOLER
88548BCASE, AIR FILTER
88625THERMISTOR, COOLER, NO.1
88650NAMPLIFIER ASSY, AIR CONDITIONER
AIR CONDITIONER-AUTO
COLD AREA SPEC
COLD AREA SPEC&AIR CONDITIONER-AUTO
GUAM,SAIPAN SPEC
COLD AREA SPEC
KOREA SPEC&COLD AREA SPEC
8712842010GROMMET, HEATER
main87128-42010
9009900318
main90099-00318
9011906942
main90119-06942
9011906952
main90119-06952
9015960303
main90159-60303
9015960383
main90159-60383
9017906282
main90179-06282
26 parts on this diagram · 2 diagrams in section