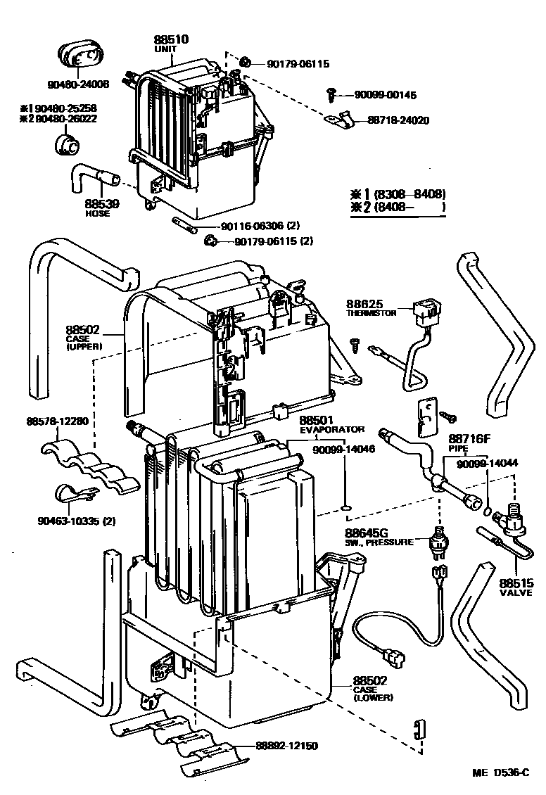
HEATING & AIR CONDITIONING - COOLER UNIT

88501EVAPORATOR SUB-ASSY, COOLER, NO.1
88502CASE SUB-ASSY, COOLING UNIT
LOWER
UPPER
88510UNIT ASSY, COOLER
88515VALVE, COOLER EXPANSION
88539HOSE, COOLER UNIT DRAIN, NO.1
88625THERMISTOR, COOLER, NO.1
88645GSWITCH, PRESSURE
88716FPIPE, COOLER REFRIGERANT LIQUID, F
8857812280PAKING, COOLER AIR DUCT
main88578-12280
8871824020PIPE, COOLER REFRIGERANT SUCTION, NO.2
main88718-24020
8889212150BRACKET, COOLER EVAPORATOR MOUNTING
main88892-12150
9009900145
main90099-00145
9009914044
main90099-14044
9009914046
main90099-14046
9011606306
main90116-06306
9017906115
main90179-06115
9046310335
main90463-10335
9048024008
main90480-24008
9048025258
main90480-25258
9048026022
main90480-26022
20 parts on this diagram · 2 diagrams in section