E
EPC Data

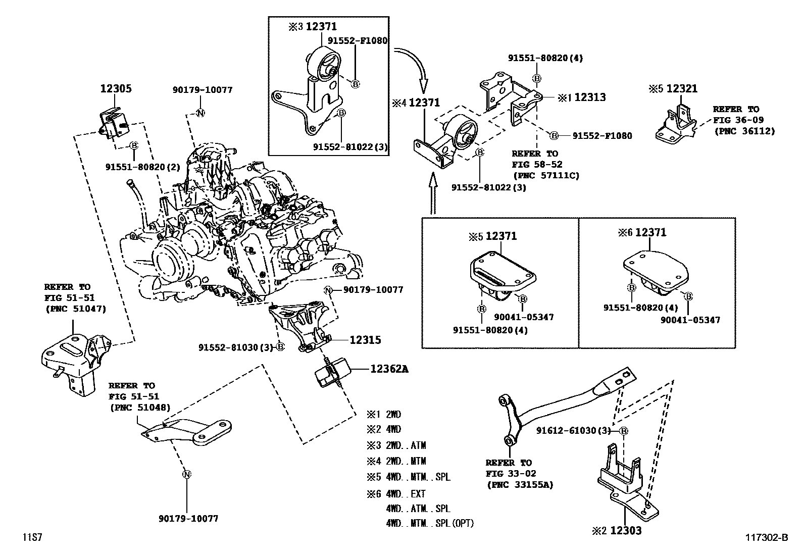
MOUNTING

Parts diagram
12303BRACKET SUB-ASSY, ENGINE MOUNTING, REAR
main12321-B5030i201112-201407
12305INSULATOR SUB-ASSY, ENGINE MOUNTING, RH
main12361-B2010i201112
12313BRACKET, ENGINE MOUNTING CONTROL(FOR TRANSVERSE ENGINE)
main12313-97501i201112
12315BRACKET, ENGINE MOUNTING, FRONT NO.1 LH
main12315-B2080i201112
12321BRACKET, ENGINE MOUNTING, REAR, NO.1
main12321-B5040i201112-201407
12362AINSULATOR, ENGINE MOUNTING, FRONT LH
main12362-B2070i201112-201304
main12362-B2071i201305
12371INSULATOR, ENGINE MOUNTING, REAR NO.1
main12371-B5010i201112
main12371-B5020i201112
main12371-B5040supersedes 12371-B5030i201112
3302CLUTCH HOUSING & TRANSMISSION CASE (MTM)
3609TRANSFER CASE & EXTENSION HOUSING
5852REAR FLOOR PANEL & REAR FLOOR MEMBER
9004105347
9017910077
9155180820
9155281022
9155281030
91552F1080
9161261030

18 parts on this diagram · 1 diagram in section

MOUNTING — Toyota Parts Diagram with OEM Numbers & Prices | EPC Data