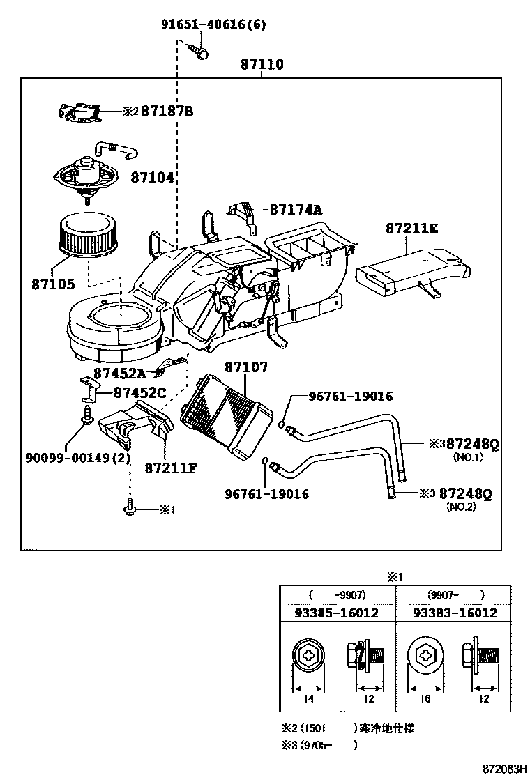
HEATING & AIR CONDITIONING - HEATER UNIT & BLOWER

87104MOTOR SUB-ASSY, HEATER BLOWER
main87104-36220iHDB51..MTM;HDB51..IV1,IV5;HZB50..DX,LX,STD;HDB51..29S..TD2..4FC;HDB51..(20S,26S)..4FC;BB4#,5#,HDB50,HZB4#,56; HZB50..GX;HDB51..29S..TD4..4FC..CBU199301-199907
87105FAN SUB-ASSY, HEATER BLOWER
87107UNIT SUB-ASSY, HEATER RADIATOR
main87107-36091iXZB40..6FC..IV5;XZB50..WC..(5F,6FC);XZB40..(5F,6FC)..CBU;BZB40,50,XZB46,51,56..(EX,LX)..(5F,6FC)..CBU200408-201501
87110HEATER ASSY
87174AGUIDE, AIR HEATER
main87174-36050iXZB40..6FC..IV5;XZB50..WC..(5F,6FC);XZB40..(5F,6FC)..CBU;BZB40,50,XZB46,51,56..(EX,LX)..(5F,6FC)..CBU200408-201501
87187BWIRE, BLOWER MOTOR LEAD, NO.1
87211EDUCT, AIR
87211FDUCT, AIR
87248QPIPE, FRONT HEATER RADIATOR WATER
main87248-36210iXZB40..6FC..IV5;XZB50..WC..(5F,6FC);XZB40..(5F,6FC)..CBU;BZB40,50,XZB46,51,56..(EX,LX)..(5F,6FC)..CBU200408-201501
87452ABRACKET, HEATER, FRONT
87452CBRACKET, FRONT HEATER, NO.2
main87452-36040iXZB40..6FC..IV5;XZB50..WC..(5F,6FC);XZB40..(5F,6FC)..CBU;BZB40,50,XZB46,51,56..(EX,LX)..(5F,6FC)..CBU200408-201501
9009900149
main90099-00149
9165140616
main91651-40616
9338316012
main93383-16012
9338516012
main93385-16012
9676119016
main96761-19016
16 parts on this diagram · 15 diagrams in section