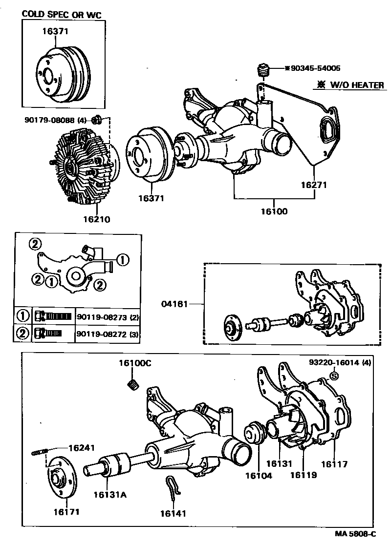
WATER PUMP

04161PUMP KIT, WATER
16100PUMP ASSY, ENGINE WATER
W/PS
16100CPLUG, W/HEAD TAPER SCREW
16104SEAL SET, WATER PUMP
16117PLATE, WATER PUMP
16119GASKET, WATER PUMP BODY
16131ROTOR, WATER PUMP
16131ABEARING, WATER PUMP
W/PS
16141WIRE, WATER PUMP BEARING RETAINING
16171SEAT, WATER PUMP PULLEY
W/PS
16210COUPLING ASSY, FLUID
W/PS
W/PS
16241BOLT, STUD(FOR WATER PUMP COUPLING)
L=20.5,S=5.5&9
W/PS
16271GASKET, WATER PUMP
16371PULLEY, FAN
W/PS
COLD SPEC
COLD SPEC
COLD SPEC
9011908272
main90119-08272
9011908273
main90119-08273
9017908088
main90179-08088
9034554005
main90345-54005
9322016014
main93220-16014
19 parts on this diagram · 6 diagrams in section