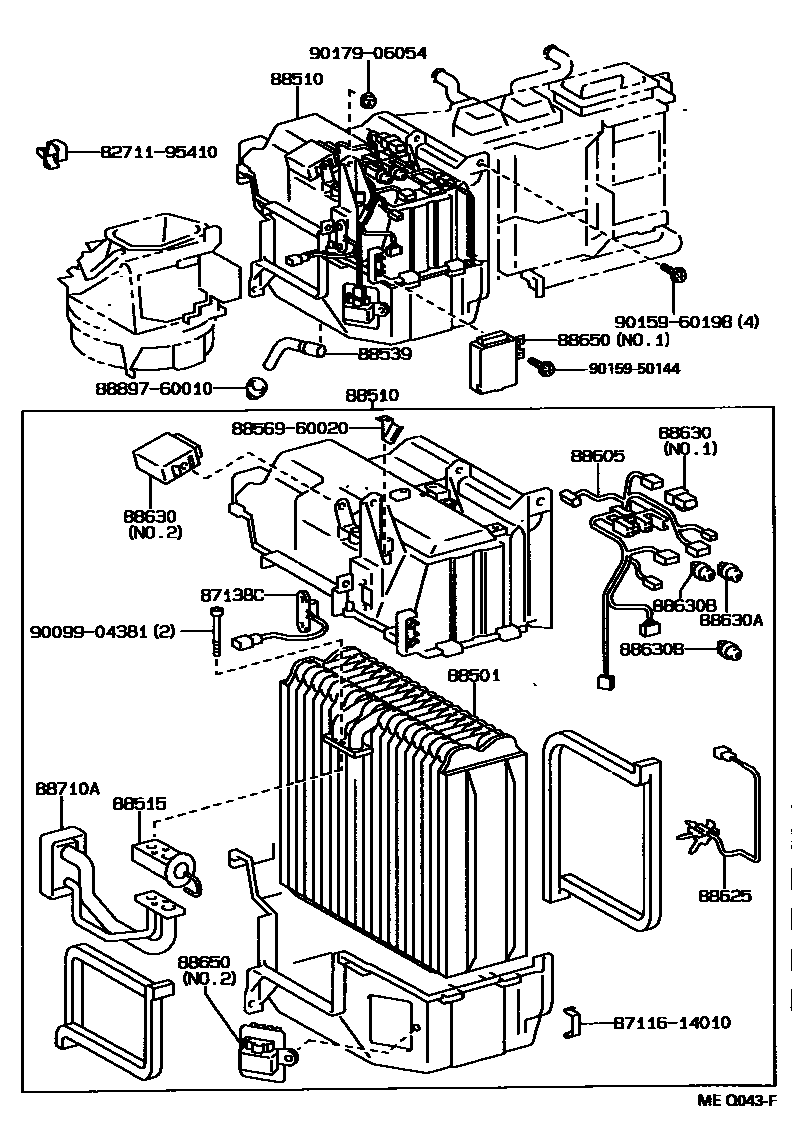
HEATING & AIR CONDITIONING - COOLER UNIT

87138CRESISTOR, BLOWER
88501EVAPORATOR SUB-ASSY, COOLER, NO.1
88510UNIT ASSY, COOLER
88515VALVE, COOLER EXPANSION
88539HOSE, COOLER UNIT DRAIN, NO.1
88605HARNESS SUB-ASSY, COOLER WIRING, NO.1
88625THERMISTOR, COOLER, NO.1
88630RELAY ASSY, COOLER
88630ARELAY ASSY, COOLER
88630BRELAY ASSY, COOLER
88650AMPLIFIER ASSY, COOLER STABILIZER
88710ATUBE ASSY, AIR CONDITIONER
8271195410WIRE, FUSE TO FUSE(FOR COMBUSTION HEATER)
main82711-95410
8711614010SPRING, HEATER CASE FASTENING
main87116-14010
8856960020CLAMP (FOR COOLER RELAY)
main88569-60020
8889760010VALVE, COOLER MAGNET
main88897-60010
9009904381
main90099-04381
9015950144
main90159-50144
9015960198
main90159-60198
9017906054
main90179-06054
20 parts on this diagram · 6 diagrams in section