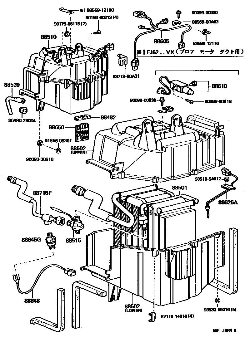
HEATING & AIR CONDITIONING - COOLER UNIT

88482CAP, COOLER
88501EVAPORATOR SUB-ASSY, COOLER, NO.1
88502CASE SUB-ASSY, COOLING UNIT
UPPER
LOWER
88510UNIT ASSY, COOLER
88515VALVE, COOLER EXPANSION
88539HOSE, COOLER UNIT DRAIN, NO.1
88605HARNESS SUB-ASSY, COOLER WIRING, NO.1
88610SWITCH ASSY, COOLER CONTROL
88626AHOLDER, THERMISTOR
88645GSWITCH, PRESSURE
88648WIRING, COOLER, NO.1
88650AMPLIFIER ASSY, COOLER STABILIZER
88716FPIPE, COOLER REFRIGERANT LIQUID, F
8711614010SPRING, HEATER CASE FASTENING
main87116-14010
8856912170CLAMP (FOR COOLER RELAY)
main88569-12170
8856912190CLAMP (FOR COOLER RELAY)
main88569-12190
8856990A03CLAMP (FOR COOLER RELAY)
main88569-90A03
8871890A31PIPE, COOLER REFRIGERANT SUCTION, NO.2
main88718-90A31
9009300610
main90093-00610
9009900816
main90099-00816
9009900930
main90099-00930
9015960213
main90159-60213
9017906115
main90179-06115
9048026004
main90480-26004
9165606301
main91656-06301
9351054012
main93510-54012
9353055016
main93530-55016
27 parts on this diagram · 1 diagram in section