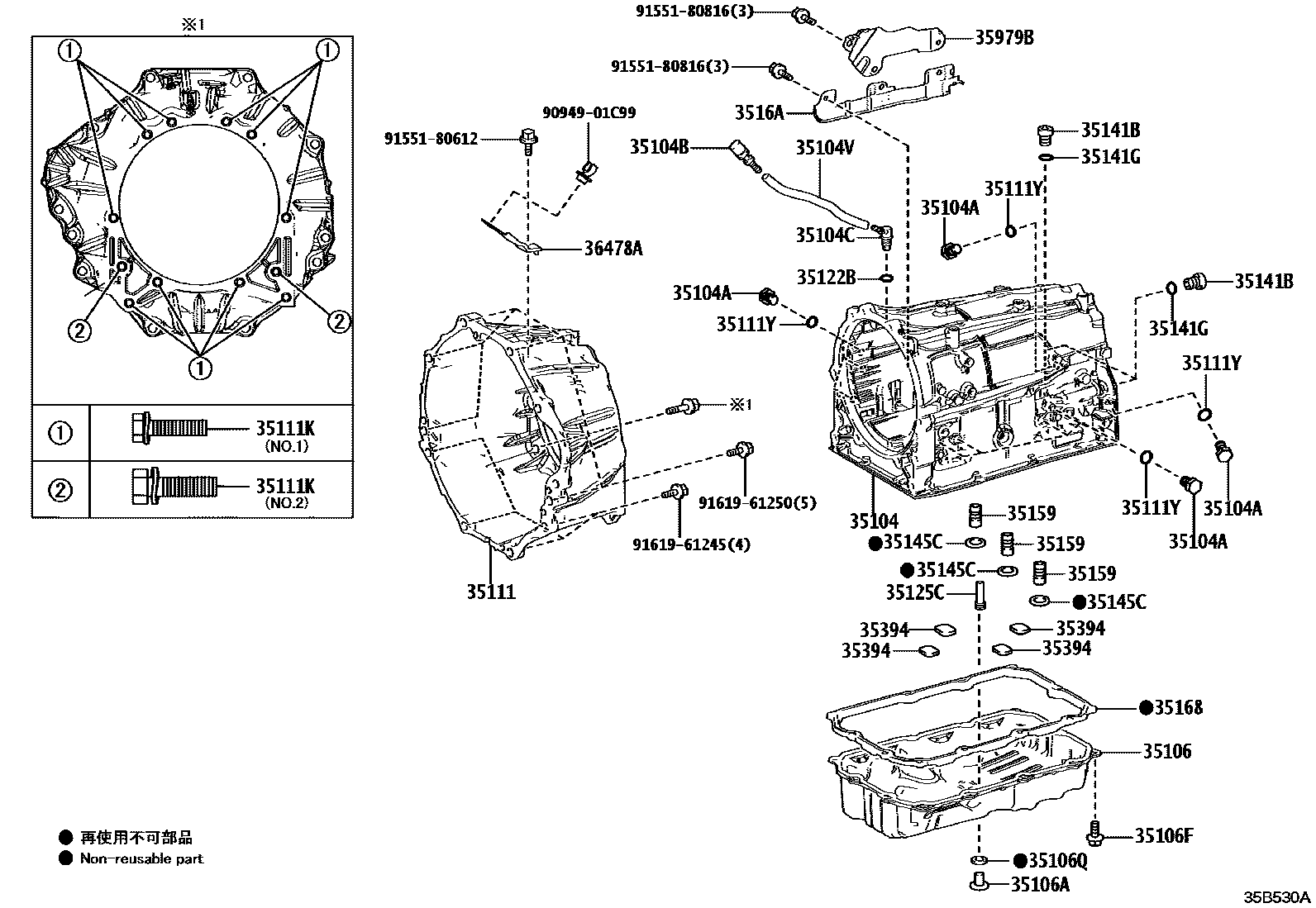
TRANSMISSION CASE & OIL PAN (ATM)

35104APLUG, AUTOMATIC TRANSMISSION CASE
35104BPLUG, BREATHER, NO.1 (ATM)
35104CPLUG, BREATHER, NO.2 (ATM)
35106PAN SUB-ASSY, AUTOMATIC TRANSMISSION OIL
35106FBOLT (FOR AUTOMATIC TRANSMISSION OIL PAN)
35106QPLUG (FOR AUTOMATIC TRANSMISSION OIL PAN)
35111KBOLT (FOR TRANSMISSION HOUSING & CASE SETTING)
35111YRING, O (FOR AUTOMATIC TRANSMISSION CASE)
35122BRING, O (FOR AUTOMATIC TRANSAXLE BREATHER TUBE UNION)
35125CTUBE, TRANSMISSION OIL FILLER, NO.1
35141BPLUG (FOR AUTOMATIC TRANSMISSION CASE)
35141GRING, O (FOR AUTOMATIC TRANSMISSION CASE)
35145CGASKET, TRANSAXLE CASE
35394MAGNET, OIL CLEANER (FOR TRANSMISSION)
9094901C99
main90949-01C99
9155180612
main91551-80612
9155180816
main91551-80816
9161961245
main91619-61245
9161961250
main91619-61250
28 parts on this diagram · 2 diagrams in section