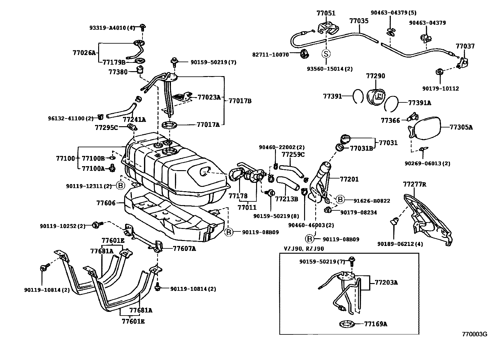
FUEL TANK & TUBE

77011PIPE SUB-ASSY, FUEL TANK FILLER, LOWER
77017AGASKET, FUEL TANK VENT
77017BTUBE SUB-ASSY, FUEL TANK VENT
77023AFILTER SUB-ASSY, FUEL SUCTION TUBE(FOR SUB-TANK)
77026ATUBE SUB-ASSY, FUEL EVAPORATION, NO.1
77031CAP ASSY, FUEL TANK
77031BGASKET (FOR FUEL TANK CAP)
77035CABLE SUB-ASSY, FUEL LID LOCK CONTROL
77037LOCK SUB-ASSY, FUEL FILLER OPENING LID
77051LEVER SUB-ASSY, FUEL LID OPEN
MD.MOON MIST,TRIM1#
BLACK,TRIM1#,4#
77100TANK ASSY, FUEL
77100APLUG(FOR FUEL TANK)
77100BGASKET(FOR FUEL TANK)
77169AGASKET, FUEL SUCTION TUBE SET
77178GASKET, FUEL TANK FILLER PIPE, LOWER
77179BGASKET, FUEL TANK EVAPORATION VENT TUBE
77201PIPE SUB-ASSY, FUEL TANK INLET
77203ATUBE SUB-ASSY, FUEL SUCTION
77213BHOSE, FUEL TANK TO FILLER PIPE
77241AHOSE, FUEL, NO.1 (FOR MAIN TUBE, NO.1)
77259CHOSE, FUEL
77277RPROTECTOR, FUEL TANK FILLER PIPE
77290SHIELD ASSY, FUEL TANK FILLER PIPE
77305ALID SUB-ASSY, FUEL FILLER OPENING
77366SPRING, FUEL FILLER OPENING LID HINGE
77380VALVE ASSY, FUEL CUT OFF
77391RING, FUEL INLET BOX
77391ARING, FUEL INLET BOX
77601EBAND SUB-ASSY, FUEL TANK
77606PROTECTOR SUB-ASSY, FUEL TANK, NO.1
77607ABUCKLE SUB-ASSY, FUEL TANK BAND
77681ASEAT, FUEL TANK BAND
8271110070WIRE, FUSE TO FUSE(FOR COMBUSTION HEATER)
main82711-10070
9011908B09
main90119-08B09
9011910252
main90119-10252
9011910814
main90119-10814
9011912311
main90119-12311
9015950219
main90159-50219
9017908234
main90179-08234
9017910112
main90179-10112
9018906212
main90189-06212
9026906013
main90269-06013
9046022002
main90460-22002
9046046003
main90460-46003
9046304379
main90463-04379
91626B0822
main91626-B0822
93319A4010
main93319-A4010
9356015014
main93560-15014
9613241100
main96132-41100
50 parts on this diagram · 5 diagrams in section