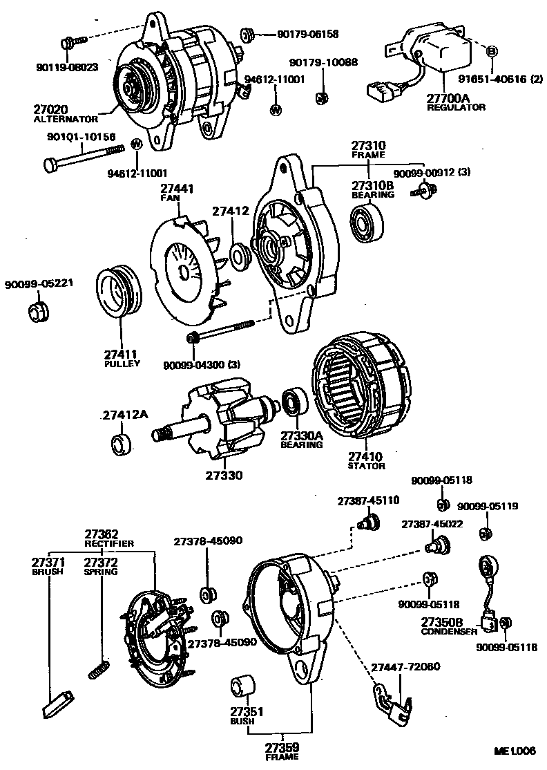
ALTERNATOR

27020ALTERNATOR ASSY
27310FRAME ASSY, DRIVE END, ALTERNATOR
27310BBEARING(FOR ALTERNATOR DRIVE END FRAME)
27330ROTOR ASSY, ALTERNATOR
27330ABEARING(FOR ALTERNATOR ROTOR)
27350FRAME ASSY, RECTIFIER END
27350BCONDENSER, ALTERNATOR
27351BUSH(FOR ALTERNATOR RECTIFIER END FRAME)
27359FRAME, ALTERNATOR RECTIFIER END
27362RECTIFIER ASSY, W/BRUSH
27371BRUSH, ALTERNATOR
27372SPRING, ALTERNATOR BRUSH
27410STATOR ASSY, ALTERNATOR
27411PULLEY, ALTERNATOR
27412COLLAR, SPACER(FOR ALTERNATOR PULLEY)
27412ACOLLAR, SPACE(FOR ALTERNATOR DRIVE END FRAME)
27441FAN, ALTERNATOR
27700AREGULATOR ASSY, GENERATOR
2737845090INSULATOR, ALTERNATOR, NO.1
main27378-45090
2738745022INSULATOR, TERMINAL
main27387-45022
2738745110INSULATOR, TERMINAL
main27387-45110
2744772060CLIP, ALTERNATOR CORD
main27447-72060
9009900912
main90099-00912
9009904300
main90099-04300
9009905118
main90099-05118
9009905119
main90099-05119
9009905221
main90099-05221
9010110156
main90101-10156
9011908023
main90119-08023
9017906158
main90179-06158
9017910088
main90179-10088
9165140616
main91651-40616
9461211001
main94612-11001
33 parts on this diagram · 2 diagrams in section