HEATING & AIR CONDITIONING - CONTROL & AIR DUCT

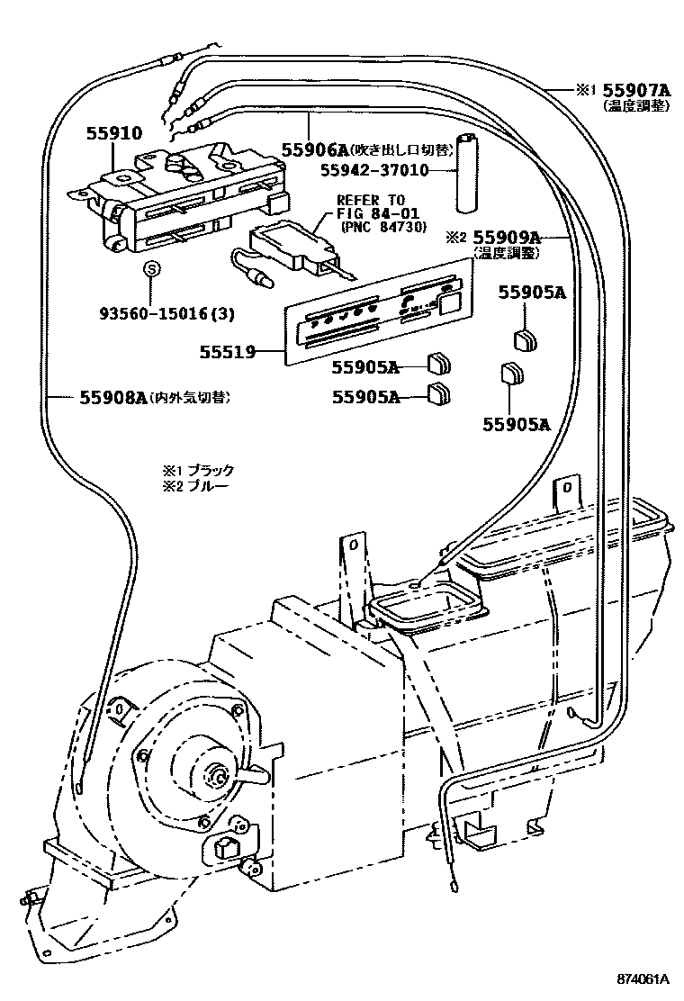
55519PLATE, HEATER CONTROL NAME
main55519-37010iBU132..T3,T4;BU10#,112,12#,137,14#,162,172,182,202,212,222,RZU100,140,XZU130,140199505-200005
55905AKNOB, HEATER CONTROL
55906ACABLE SUB-ASSY, DEFROSTER DAMPER CONTROL
55907ACABLE SUB-ASSY, WATER VALVE CONTROL
55908ACABLE SUB-ASSY, AIR INLET DAMPER CONTROL
55909ACABLE SUB-ASSY, AIRMIX DAMPER CONTROL
55910CONTROL ASSY, HEATER OR BOOST VENTILATOR
8401SWITCH & RELAY & COMPUTER
5594237010GUARD, HEATER CONTROL
main55942-37010
9356015016
main93560-15016
10 parts on this diagram · 3 diagrams in section