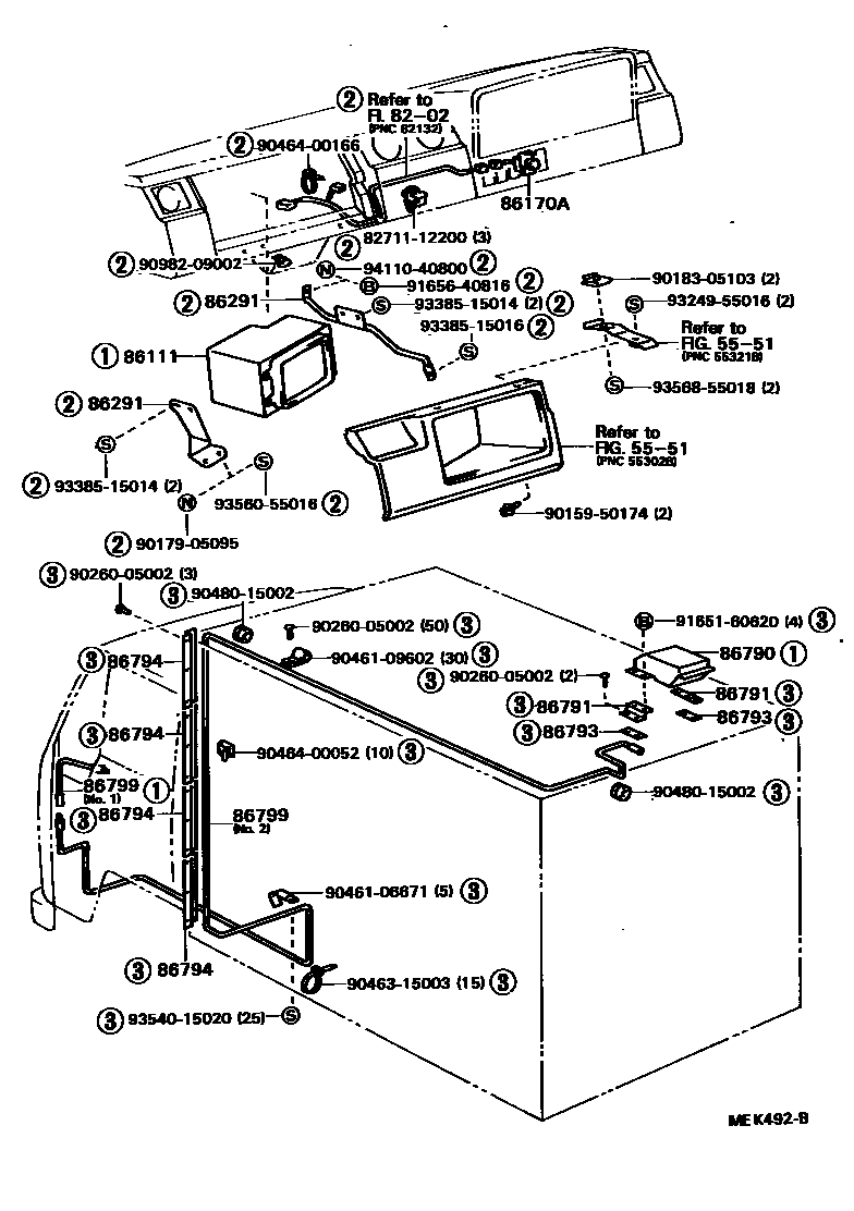
CAMERA & REAR MONITOR DISPLAY

5551INSTRUMENT PANEL & GLOVE COMPARTMENT
8202WIRING & CLAMP
86111MULTI-DISPLAY
86170ASWITCH & VOLUME ASSY
BLUE,TRIM8#
BROWN,TRIM4#
86291BRACKET, TELEVISION
RH
RH
LH
86790CAMERA ASSY, TELEVISION
86791BRACKET, TELEVISION CAMERA
86793SPACER, CAMERA BRACKET
86794COVER, TELEVISION CAMERA WIRE
86799WIRE, TELEVISION CAMERA
NO.1
NO.2,11M
NO.2,12M
NO.2,13M
8271112200WIRE, FUSE TO FUSE(FOR COMBUSTION HEATER)
main82711-12200
9015950174
main90159-50174
9017905095
main90179-05095
9018305103
main90183-05103
9026005002
main90260-05002
9046106671
main90461-06671
9046109602
main90461-09602
9046315003
main90463-15003
9046400052
main90464-00052
9046400166
main90464-00166
9048015002
main90480-15002
9098209002
main90982-09002
9165160620
main91651-60620
9165640816
main91656-40816
9324955016
main93249-55016
9338515014
main93385-15014
9338515016
main93385-15016
9354015020
main93540-15020
9356855018
main93568-55018
9358055016
main93580-55016
9411040800
main94110-40800
31 parts on this diagram · 2 diagrams in section