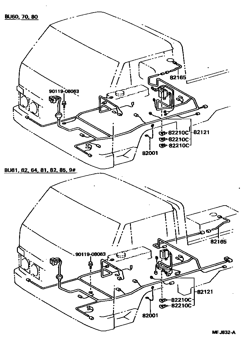
WIRING & CLAMP

82001CABLE, BOND, NO.1
ENGINE--FRAME
ENGINE--FRAME
BODY--FRAME
BODY--FRAME
BODY--FRAME
82121WIRE, ENGINE
main82126-95427iBU61..DYN..T2..IV3; BU61..TOY..T2..IV3; BU62..DYN..5F..ST..IV3; BU62..DYN..T3..5F..WT..20T; BU62..T2..5F..IV3; BU62..TOY..T3..5F..WT..20T; BU82..T2..IV3; BU82..T3..20T..IV3198708-198808
main82126-95438iBU85..T2..5F..IV3; BU85..T3..30T..DSL..IV3; BU85..T3..5F..20T..DSL..IV3198708-198808
main82126-95465iBU61..ST;BU81..T2; BU61..T2; BU62,82..DYN..T3..5F..20T..CBU; BU62..5F..ST..IV3;BU62..DYN..T2..5F;BU82..TOY..(T2,T3);BU82..DYN..(275,30T);BU62..TOY..T2..5F..IV3;BU82..DYN..T3..20T..IV3;BU62..TOY..(T2,T3)..5F..20T..CBU; BU62..DYN..275..CBU; BU62..DYN..DMP;BU62..(275,30T)..IV3;BU62..TOY..(DM3,T3)..WT..CBU; BU62..T3..5F..WT..20T; BU82..06S;BU62..TOY..DM2; BU82..DYN..T2198708-198808
82165WIRE, FRAME, NO.2
82210CFUSIBLE LINK
9011908063
main90119-08063
5 parts on this diagram · 7 diagrams in section