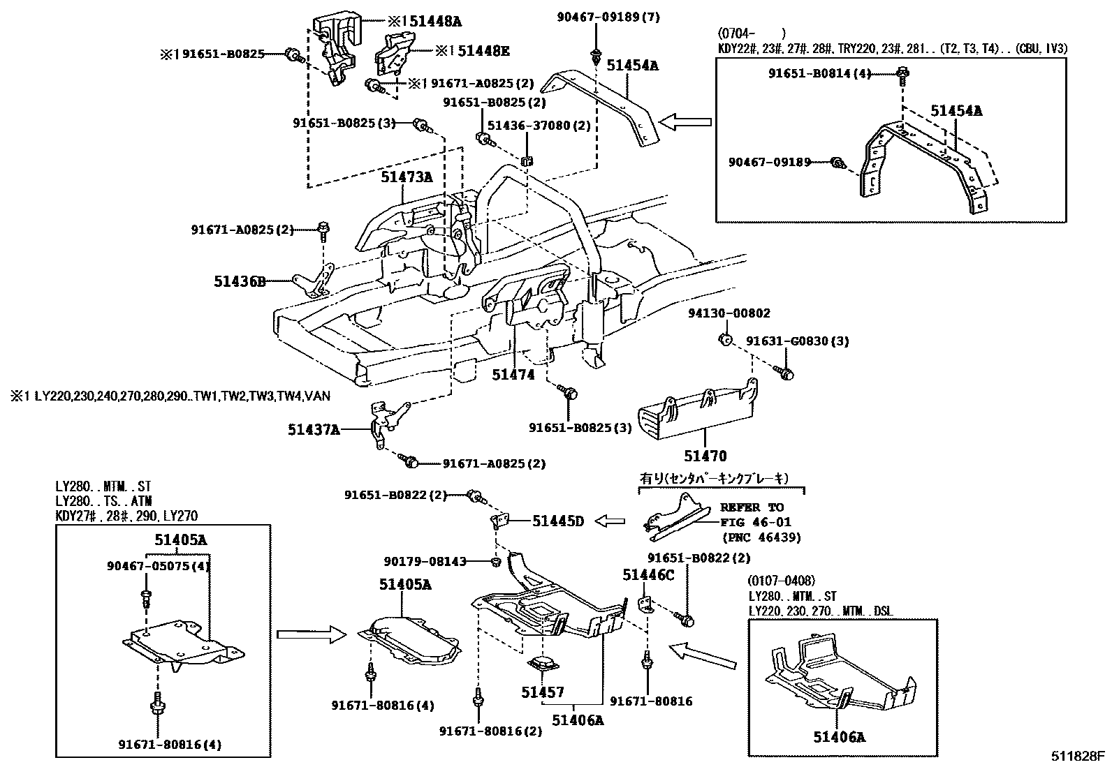
SUSPENSION CROSSMEMBER & UNDER COVER

4601PARKING BRAKE & CABLE
51405ACOVER SUB-ASSY, ENGINE UNDER, NO.1
51406ACOVER SUB-ASSY, ENGINE UNDER, NO.2
51436BBRACKET, ENGINE SIDE COVER, NO.1 RH
51437ABRACKET, ENGINE SIDE COVER, NO.1 LH
51445DBRACKET, ENGINE UNDER COVER, RH
main51445-25070iTRY220..ST;KDY221..T3..TB;LY280..MTM..ST;LY220,230..MTM..DSL;KDY220,230,240,270,280,290,LY270;TRY230..(T2,T3,TW3)..TS..ST..(CBU,IV3)200107
51446CBRACKET, ENGINE UNDER COVER, LH
main51446-25050iLY280..MTM..ST;TRY230..15T,1T;LY220,230..MTM..DSL;TRY230..125T..(CBU,IV3);KDY22#,23#,24#,27#,28#,290,LY270,TRY220200107
51448ACOVER, ENGINE SIDE UNDER, RH
51448ECOVER, ENGINE SIDE UNDER, RH NO.2
51454ASILENCER, ENGINE REAR COVER
51457SEAL, ENGINE SIDE COVER, FRONT
51470COVER ASSY, TRANSMISSION UNDER
main51470-25040iKDY22#..15T,1T;RZY230,TRY230..T2..MTM..WT;KDY280..(T3,T4,TW1,TW3,TW4)..MTM;RZY230,TRY230..(T3,T4,TW2,TW4)..MTM;KDY22#,LY230..(T3,TW1)..MTM..(125T,15T);KDY23#,LY220,230,RZY220,TRY220..MTM..WT..(DCR,DSL,EFI);KDY23#,24#,27#,281,290,LY270,280..(T3,TW1,TW3,VAN)..MTM200107
51473ACOVER SUB-ASSY, ENGINE SIDE, RH
main51473-25050iKDY220,230,240,270,280,290,LY220,230,240,270,280,290,RZY220,230,TRY220,230..DCR,DSL,EFI200107-200607
51474COVER SUB-ASSY, ENGINE SIDE, LH
5143637080PROTECTOR, ENGINE FRONT SUPPORT
main51436-37080
9017908143
main90179-08143
9046705075
main90467-05075
9046709189
main90467-09189
91631G0830
main91631-G0830
91651B0814
main91651-B0814
91651B0822
main91651-B0822
91651B0825
main91651-B0825
9167180816
main91671-80816
91671A0825
main91671-A0825
9413000802
main94130-00802
25 parts on this diagram · 2 diagrams in section