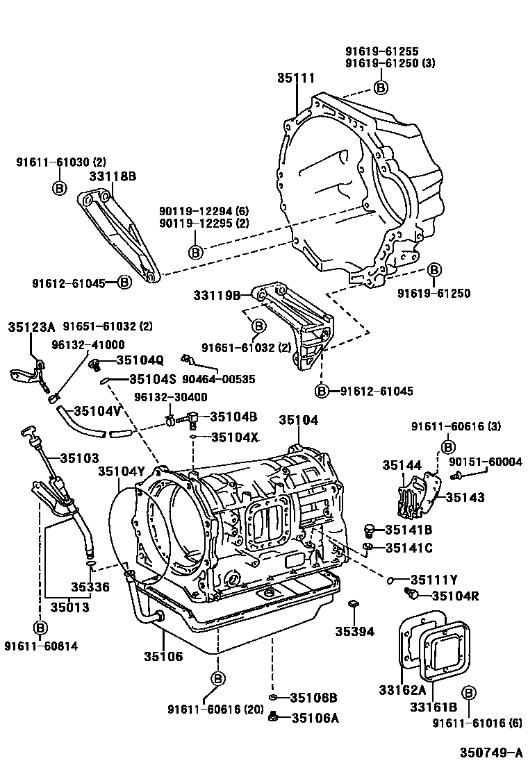
TRANSMISSION CASE & OIL PAN (ATM)

33118BPLATE, STIFFENER, RH(ATM)
33119BPLATE, STIFFENER, LH(ATM)
33161BCOVER, TRANSMISSION POWER TAKE-OFF
33162AGASKET, TRANSMISSION POWER TAKE-OFF
35013TUBE SUB-ASSY, TRANSMISSION OIL FILLER
35103GAGE SUB-ASSY, TRANSMISSION OIL LEVEL
35104CASE SUB-ASSY, AUTOMATIC TRANSMISSION
35104BPLUG, BREATHER, NO.1 (ATM)
35104QPLUG, NO.1 (FOR TRANSAXLE CASE)
35104RPLUG, NO.2 (FOR TRANSAXLE CASE)
35104SRING, O (FOR TRANSAXLE CASE PLUG NO.1)
35104VHOSE (FOR BREATHER PLUG)
35104XRING, O (FOR BREATHER PLUG)
35104YRING, O (FOR AUTOMATIC TRANSMISSION CASE)
35106PAN SUB-ASSY, AUTOMATIC TRANSMISSION OIL
35106APLUG SUB-ASSY, DRAIN (ATM)
35106BGASKET, DRAIN PLUG (ATM)
35111HOUSING, AUTOMATIC TRANSMISSION
35111YRING, O (FOR AUTOMATIC TRANSMISSION CASE)
35123ASKIRT, TRANSMISSION BREATHER
35141BPLUG (FOR AUTOMATIC TRANSMISSION CASE)
35141CWASHER, PLATE (FOR AUTOMATIC TRANSMISSION CASE)
35143COVER, TRANSMISSION CASE, REAR
35144GASKET, TRANSMISSION CASE REAR COVER
35336RING, O (FOR TRANSMISSION OIL FILLER TUBE)
35394MAGNET, OIL CLEANER (FOR TRANSMISSION)
9011912294
main90119-12294
9011912295
main90119-12295
9015160004
main90151-60004
9046400535
main90464-00535
9161160616
main91611-60616
9161160814
main91611-60814
9161161016
main91611-61016
9161161030
main91611-61030
9161261045
main91612-61045
9161961250
main91619-61250
9161961255
main91619-61255
9165161032
main91651-61032
9613230400
main96132-30400
9613241000
main96132-41000
40 parts on this diagram · 4 diagrams in section