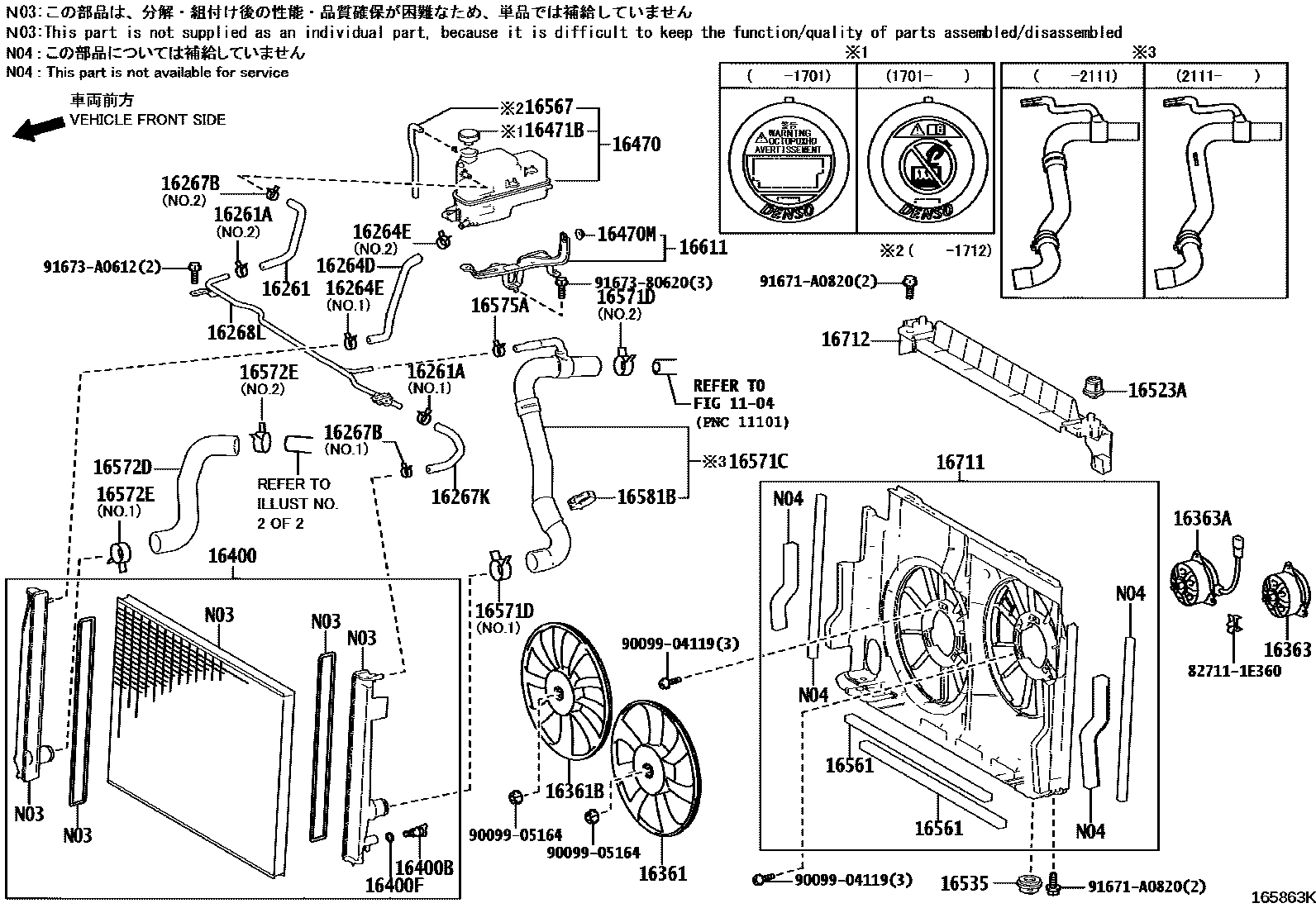
RADIATOR & WATER OUTLET

1104CYLINDER HEAD
16261HOSE, WATER BY-PASS
16261ACLAMP OR CLIP, HOSE(FOR WATER BY-PASS HOSE)
16264HOSE, WATER BY-PASS, NO.2
16264DHOSE, WATER BY-PASS, NO.2
16264ECLIP(FOR WATER BY-PASS HOSE NO.2)
16267HOSE, WATER BY-PASS, NO.3
16267BCLIP(FOR WATER BY-PASS HOSE)
main90467-18008i2ARFE..AGH3#..08S..Z;2AR#..AGH3#,AYH30..VFIRE..(EL,ELZ,V,X,ZR); 2GRFKS..GGH3#..VFIRE202001-202104
16267KHOSE, WATER BY-PASS, NO.3
16268PIPE, WATER BY-PASS, NO.1
16268LPIPE, WATER BY-PASS
16361BFAN, NO.2
16363MOTOR, COOLING FAN
16363AMOTOR, COOLING FAN, NO.2
16400RADIATOR ASSY
16400BPLUG, RADIATOR DRAIN COCK
16400FPACKING(FOR RADIATOR DRAIN COCK)
16470TANK ASSY, RADIATOR RESERVE
main16470-28152i2ARFE..AGH3#..08S..Z;2AR#..AGH3#,AYH30..VFIRE..(EL,ELZ,V,X,ZR); 2GRFKS..GGH3#..VFIRE202001-202104
16470MGROMMET
16471BCAP, RESERVE TANK
16523ACUSHION, RADIATOR SUPPORT
16535SUPPORT, RADIATOR, LOWER
16561SEAL, RADIATOR TO SUPPORT, NO.1
16567HOSE(FOR RADIATOR RESERVE TANK)
16571CHOSE, RADIATOR, NO.1
16571DCLIP, RADIATOR HOSE, NO.1
main90466-41005i2ARFE..AGH3#..08S..Z;2AR#..AGH3#,AYH30..VFIRE..(EL,ELZ,V,X,ZR); 2GRFKS..GGH3#..VFIRE202001-202104
main96136-44301i2ARFE..AGH3#..08S..Z;2AR#..AGH3#,AYH30..VFIRE..(EL,ELZ,V,X,ZR); 2GRFKS..GGH3#..VFIRE202001-202104
16572DHOSE, RADIATOR, NO.2
16572ECLIP, RADIATOR HOSE, NO.2
16575ACLIP, RADIATOR HOSE, NO.5
16581CLAMP, HOSE(FOR WATER HOSE)
16581BCLAMP, HOSE(FOR RADIATOR HOSE)
16611BRACKET, RADIATOR RESERVE TANK
16711SHROUD, FAN
16712SHROUD, FAN, NO.2
827111E360WIRE, FUSE TO FUSE(FOR COMBUSTION HEATER)
main82711-1E360
9009904119
main90099-04119
9009905164
main90099-05164
91671A0820
main91671-A0820
9167380620
main91673-80620
91673A0612
main91673-A0612
41 parts on this diagram · 8 diagrams in section