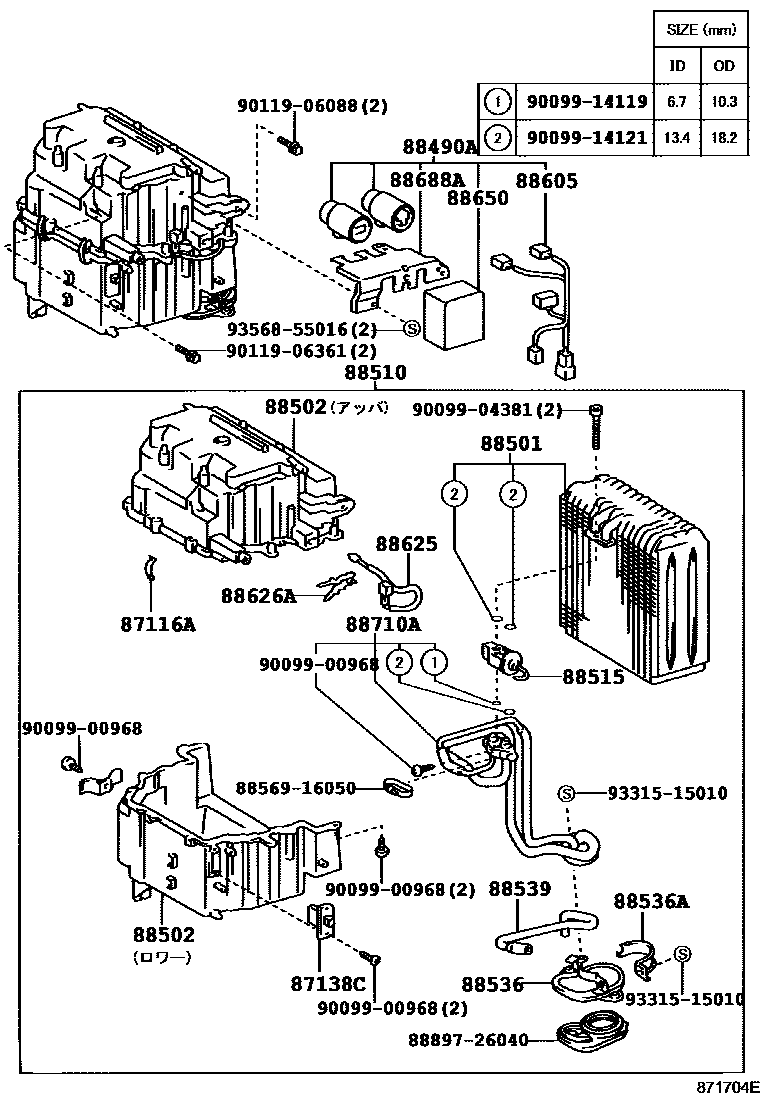
HEATING & AIR CONDITIONING - COOLER UNIT

87116ASPRING, HOLDING (FOR COOLER UNIT CASE)
87138CRESISTOR, BLOWER
88490APARTS ASSY, ELECTRICAL
88501EVAPORATOR SUB-ASSY, COOLER, NO.1
88502CASE SUB-ASSY, COOLING UNIT
88510UNIT ASSY, COOLER
88515VALVE, COOLER EXPANSION
88536BRACKET, COOLING UNIT, NO.1
88536ABRACKET, COOLING UNIT, NO.2
88539HOSE, COOLER UNIT DRAIN, NO.1
88605HARNESS SUB-ASSY, COOLER WIRING, NO.1
88625THERMISTOR, COOLER, NO.1
88626AHOLDER, THERMISTOR
88650AMPLIFIER ASSY, COOLER STABILIZER
88688ABRACKET, COOLER STABILIZER AMPLIFIER
88710ATUBE ASSY, AIR CONDITIONER
8856916050CLAMP (FOR COOLER RELAY)
main88569-16050
8889726040VALVE, COOLER MAGNET
main88897-26040
9009900968
main90099-00968
9009904381
main90099-04381
9009914119
main90099-14119
9009914121
main90099-14121
9011906088
main90119-06088
9011906361
main90119-06361
9331515010
main93315-15010
9356855016
main93568-55016
26 parts on this diagram · 8 diagrams in section