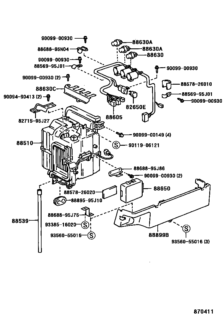
HEATING & AIR CONDITIONING - COOLER UNIT

82650EBREAKER ASSY, WIRING CIRCUIT
main82650-35010iLH129;LH113,RZH112..09S..DX;LH102,109,113,119,RZH102,112..GL,SGL;LH100,107,110,115,119,120,123,125,RZH100,101,110,12#..(08S,09S,10S,15S)..(CTM,DX,GL,SCM,SCMM)198908-200408
88510UNIT ASSY, COOLER
main88510-26420iLH178,RZH102,112,TRH102,112..CD,DX;LH16#,172,182,184,188,RZH12#,18#,TRH12#..DX,GL199907-200501
main88510-26510iKZH10#,11#,12#,13#,LH162,17#,RZH10#,11#..(03S,05S,08S,10S)..(DX,GCGE,GCGN,SCM,SGL)199508-200501
88539HOSE, COOLER UNIT DRAIN, NO.1
main88539-26150iKZH10#,11#,120,13#,LH16#,17#,182,186,188,RZH10#,11#,12#,18#,TRH102,112,12#199308-200501
main88539-95701iLH129;LH113,RZH112..09S..DX;LH102,109,113,119,RZH102,112..GL,SGL;LH100,107,110,115,119,120,123,125,RZH100,101,110,12#..(07S,08S,09S,10S,15S)..(CTM,DX,GL,SCL,SCM,SCM198908-199308
88605HARNESS SUB-ASSY, COOLER WIRING, NO.1
main88605-26370iLH123..4FC;LH10#,11#,RZH102,112..GL,SGL;KZH10#,11#,12#,LH123,125,RZH100,101,112,124..08S,09S,10S,15S199308-199508
main88605-26740iLH123..4FC;LH10#,11#,RZH102,112..GL,SGL;KZH10#,11#,12#,LH123,125,RZH100,101,112,124..08S,09S,10S,15S199408-199508
main88605-2F150iLH188..SGLE;LH16#,178,184..CD,DX,GL,SGLE;LH172,182..(03S,05S,06S)..(CD,DX,SGLE)199907-200408
main88605-95J17iRZH102,112..GL;RZH100,101,11#,12#..(08S,09S,10S,15S)..(CTM,DX,SCM,SCMM)198908-199308
main88605-95J19iLH129;LH113..5D..GL;LH102,109,119,140..GL,SGL,SW;LH113..V1..SRF..4D..(DX,GL,SGL);LH100,107,110,115,117,119,120,123,125..(08S,09S,10S,15S)..(CTM,DX,GL,SCM,SCMM,SW)198908-199308
88630RELAY ASSY, COOLER
88630ARELAY ASSY, COOLER
88630CBRACKET, COOLER RELAY
main88631-95J00iLH113..09S..GL;LH109,119..5D..GL;LH119..05S,08S,09S;LH113,RZH122..03S,05S,06S;LH102,110,117,RZH100,102,11#..CD,CTM,DX,GL,SCM,SCMM,SGL;LH100,107,123,129,RZH101,124..198908-199308
main88631-95J00iLH123..4FC;LH102,113..4D..GL;LH113,123..09S..DX;LH100,109,110,115,117,119,120,125,140..(05S,06S,09S,10S,15S)..(DX,GL,SGL,SW)199010-199308
88650AMPLIFIER ASSY, COOLER STABILIZER
main88650-26060iLH123..4FC;LH10#,11#..GL,SGL;KZH10#,11#,12#,LH123,125..07S,08S,09S,10S,15S199308-199408
main88650-26060iLH123..4FC;LH10#,11#..GL,SGL;KZH10#,11#,12#,LH123,125..07S,08S,09S,10S,15S199308-199408
main88650-26110iLH123..4FC;LH10#,11#..GL,SGL;KZH10#,11#,12#,LH123,125..07S,08S,09S,10S,15S199408-199508
main88650-95J16iLH129;LH113..09S..DX;LH102,109,113,119..GL,SGL;LH100,107,110,115,119,120,123,125..(07S,08S,09S,10S,15S)..(CTM,DX,GL,SCL,SCM,SCMM)198908-199308
88899BCOVER, COOLER CONTROL
main88891-26050iLH129;LH113,RZH112..09S..DX;LH102,109,113,119,RZH101,102,112..GL,SCM,SCMM,SGL;LH100,107,110,115,119,120,123,125,RZH100,110,12#..(08S,09S,10S,15S)..(CTM,DX,GL,SCM,SC198908-199608
main88891-26050iLH11#..SG;LH113..SP..5F;LH162,17#,RZH102,112..CD,DX;LH10#,12#,168,18#,RZH12#,133199608-199907
main88891-95J27iLH17#,RZH112..SGL;KZH10#,11#,12#,13#,LH162,RZH10#,111..(03S,05S,07S,08S,09S,10S)..(CTM,DX,GCGE,GCGN,SCL,SCM,SCMM,SGL)199508-199907
8271595J27BRACKET,WIRING HARNESS CLAMP
main82715-95J27
8856995J01CLAMP (FOR COOLER RELAY)
main88569-95J01
8857826010PAKING, COOLER AIR DUCT
main88578-26010
8857826020PAKING, COOLER AIR DUCT
main88578-26020
8868895J75BRACKET, COOLER DIAPHRAGM
main88688-95J75
8868895J86BRACKET, COOLER DIAPHRAGM
main88688-95J86
8868895N04BRACKET, COOLER DIAPHRAGM
main88688-95N04
8889595J10HOLDER, FUSE
main88895-95J10
9009490413
main90094-90413
9009900149
main90099-00149
9009900930
main90099-00930
9011906121
main90119-06121
9338516020
main93385-16020
9356055016
main93560-55016
23 parts on this diagram · 34 diagrams in section