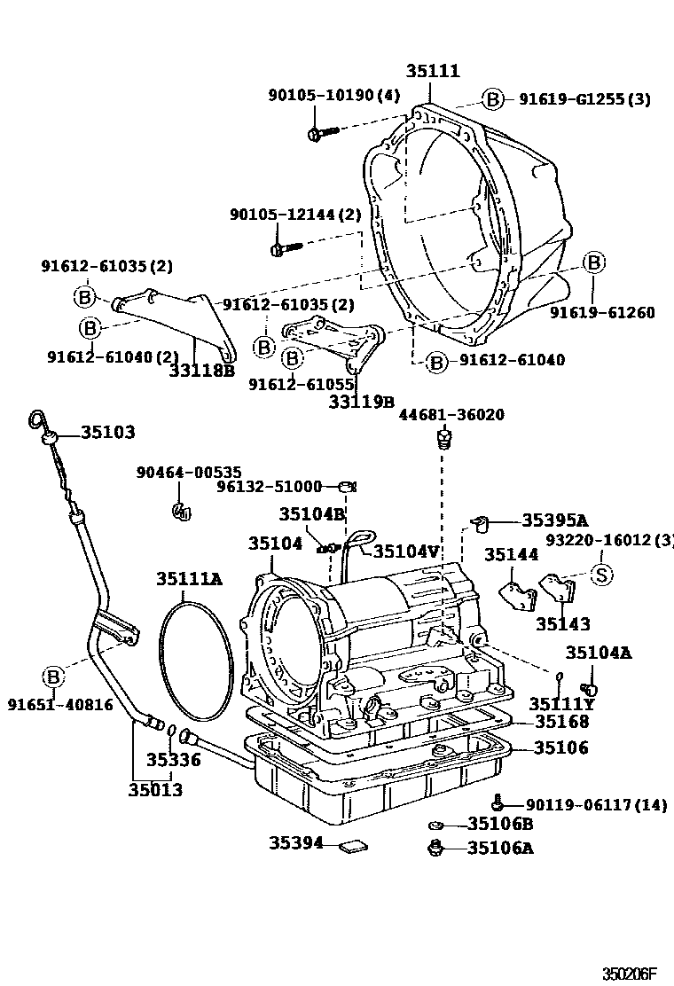
TRANSMISSION CASE & OIL PAN (ATM)

33118BPLATE, STIFFENER, RH(ATM)
33119BPLATE, STIFFENER, LH(ATM)
35013TUBE SUB-ASSY, TRANSMISSION OIL FILLER
35103GAGE SUB-ASSY, TRANSMISSION OIL LEVEL
35104CASE SUB-ASSY, AUTOMATIC TRANSMISSION
35104APLUG, AUTOMATIC TRANSMISSION CASE
main90341-08001×2iKZH100,110,120,132,LH100,102,103,107,113,119,120,123,129,162,17#,18#,RZH10#,111,112,124,125,133..4FC198908-199907
35104BPLUG, BREATHER, NO.1 (ATM)
35104VHOSE (FOR BREATHER PLUG)
35106PAN SUB-ASSY, AUTOMATIC TRANSMISSION OIL
35106APLUG SUB-ASSY, DRAIN (ATM)
main90341-10006iKZH10#,11#,120,13#,LH100,102,103,107,113,119,120,123,129,RZH10#,111,112,124,133..4FC198908-199808
35106BGASKET, DRAIN PLUG (ATM)
main35178-30010iKZH10#,11#,120,13#,LH100,102,103,107,113,119,120,123,129,162,17#,18#,RZH10#,111,112,124,125,133..4FC198908-199907
35111HOUSING, AUTOMATIC TRANSMISSION
35111ARING, O (FOR AUTOMATIC TRANSMISSION HOUSING)
35111YRING, O (FOR AUTOMATIC TRANSMISSION CASE)
main90301-06196×2iKZH10#,11#,120,13#,LH100,102,103,107,113,119,120,123,129,162,17#,18#,RZH10#,111,112,124,125,133..4FC198908-199907
35143COVER, TRANSMISSION CASE, REAR
main35143-22010iLH100,102,103,107,113,119,123,129,162,17#,18#,RZH10#,111,112,124,125,133..4FC..(CBR,DSL,EFI,TD)198908-199907
35144GASKET, TRANSMISSION CASE REAR COVER
35168GASKET, AUTOMATIC TRANSMISSION OIL PAN
main35168-22011iLH100,102,103,107,113,119,123,129,162,17#,18#,RZH10#,111,112,124,125,133..4FC..(CBR,DSL,EFI,TD)198908-199907
35336RING, O (FOR TRANSMISSION OIL FILLER TUBE)
main90301-09173iKZH10#,11#,120,13#,LH100,102,103,107,113,119,120,123,129,162,17#,18#,RZH10#,111,112,124,125,133..4FC198908-199907
35394MAGNET, OIL CLEANER (FOR TRANSMISSION)
35395ASTRAINER, GOVERNOR OIL
4468136020PLUG, BOOSTER
main44681-36020
9010510190
main90105-10190
9010512144
main90105-12144
9011906117
main90119-06117
9046400535
main90464-00535
9161261035
main91612-61035
9161261040
main91612-61040
9161261055
main91612-61055
9161961260
main91619-61260
91619G1255
main91619-G1255
9165140816
main91651-40816
9322016012
main93220-16012
9613251000
main96132-51000
33 parts on this diagram · 7 diagrams in section