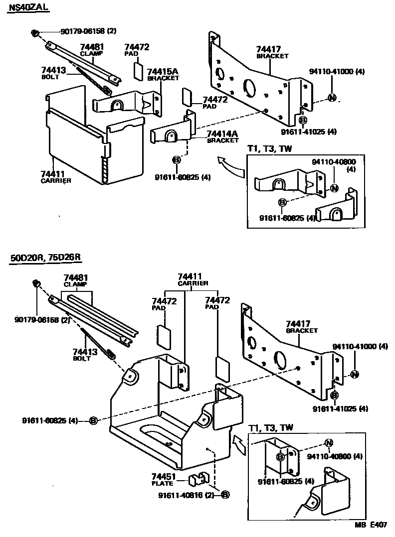
BATTERY CARRIER

74411CARRIER, BATTERY
NS40ZAL
50D20R,75D26R
NX200-10L
NX110-5X2
74413BOLT, BATTERY CLAMP
NX200-10L
NX110-5X2
74414ABRACKET, BATTERY, NO.1
NX110-5X2
NX200-10L
NS40ZAL
74415ABRACKET, BATTERY, NO.2
NX110-5X2
NX200-10L
NS40ZAL
74417BRACKET, BATTERY CARRIER
74451PLATE, BATTERY CARRIER SUPPORT
50D20R
NX110-5X2
74472PAD, BATTERY SIDE
NS40ZAL
50D20R,75D26R
74481CLAMP, BATTERY HOLD DOWN
50D20R,75D26R
NX200-10L
9017906158
main90179-06158
9161140816
main91611-40816
9161141025
main91611-41025
9161160825
main91611-60825
9411040800
main94110-40800
9411041000
main94110-41000
14 parts on this diagram · 2 diagrams in section