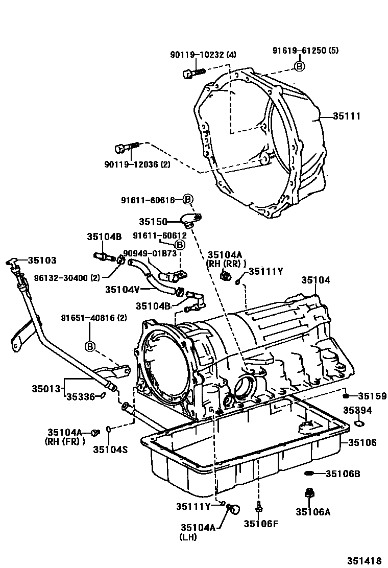
TRANSMISSION CASE & OIL PAN (ATM)

35013TUBE SUB-ASSY, TRANSMISSION OIL FILLER
35103GAGE SUB-ASSY, TRANSMISSION OIL LEVEL
35104CASE SUB-ASSY, AUTOMATIC TRANSMISSION
35104APLUG, AUTOMATIC TRANSMISSION CASE
35104BPLUG, BREATHER, NO.1 (ATM)
35104SRING, O (FOR TRANSAXLE CASE PLUG NO.1)
35104VHOSE (FOR BREATHER PLUG)
35106PAN SUB-ASSY, AUTOMATIC TRANSMISSION OIL
35106APLUG SUB-ASSY, DRAIN (ATM)
35106BGASKET, DRAIN PLUG (ATM)
35106FBOLT (FOR AUTOMATIC TRANSMISSION OIL PAN)
35111HOUSING, AUTOMATIC TRANSMISSION
35111YRING, O (FOR AUTOMATIC TRANSMISSION CASE)
35150PLUG ASSY, TRANSMISSION CASE
35159GASKET, BRAKE DRUM
35336RING, O (FOR TRANSMISSION OIL FILLER TUBE)
35394MAGNET, OIL CLEANER (FOR TRANSMISSION)
9011910232
main90119-10232
9011912036
main90119-12036
9094901B73
main90949-01B73
9161160612
main91611-60612
9161160616
main91611-60616
9161961250
main91619-61250
9165140816
main91651-40816
9613230400
main96132-30400
25 parts on this diagram · 6 diagrams in section