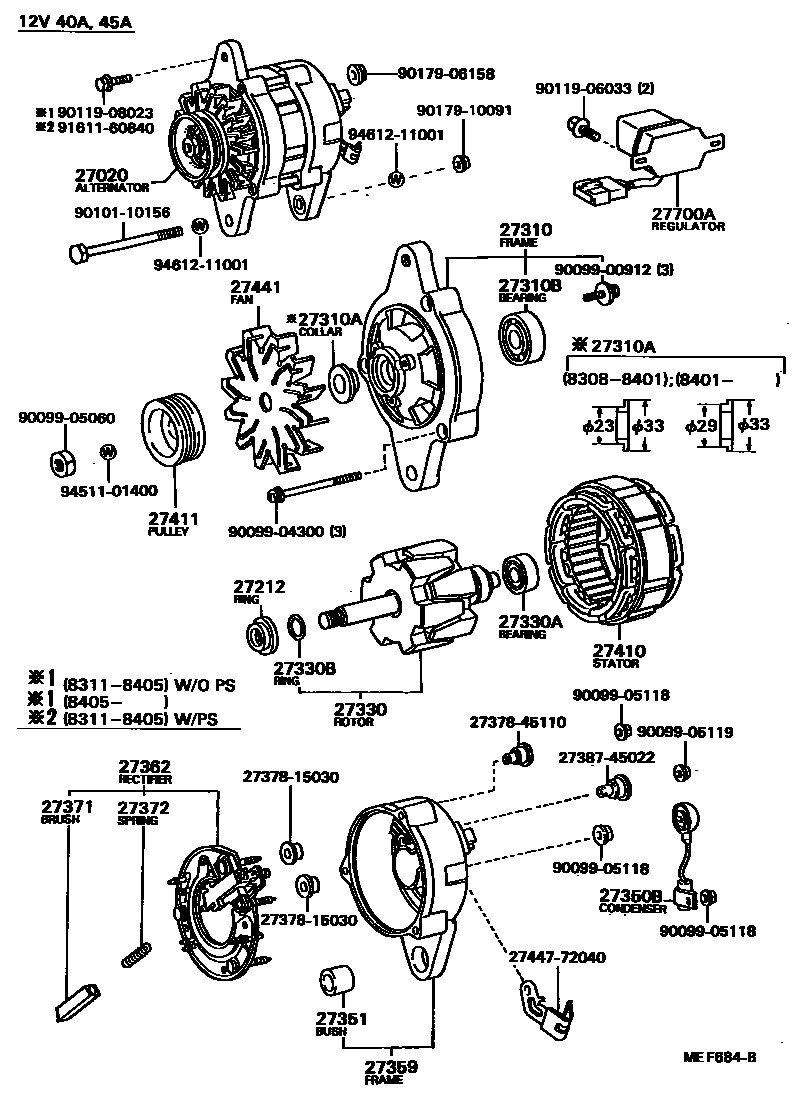
ALTERNATOR

27020ALTERNATOR ASSY
27212RING, SPACE(FOR ALTERNATOR ROTOR)
12V 40A
12V 55A
12V 55A
27310FRAME ASSY, DRIVE END, ALTERNATOR
12V 40A
12V 60A
12V 55A
12V 55A
12V 40A
27310ACOLLAR OR NUT(FOR ALTERNATOR DRIVE END FRAME)
12V 45A,LPG PACKAGE,3YP
12V 40A
12V 55A
12V 55A
27310BBEARING(FOR ALTERNATOR DRIVE END FRAME)
12V 55A
12V 40A
12V 55A
12V 40A
12V 60A
27330ROTOR ASSY, ALTERNATOR
12V 40A
12V 45A,LPG PACKAGE,3YP
12V 55A
12V 55A
12V 60A
12V 60A
27330ABEARING(FOR ALTERNATOR ROTOR)
12V 40A
12V 40A; 12V 45A,LPG PACKAGE,3YP
12V 60A
27330BRING, SNAP(FOR ALTERNATOR ROTOR)
12V 45A,LPG PACKAGE,3YP
12V 55A
12V 55A
27350FRAME ASSY, RECTIFIER END
12V 55A
12V 55A
27350BCONDENSER, ALTERNATOR
12V 45A,LPG PACKAGE,3YP
12V 55A
12V 55A
27351BUSH(FOR ALTERNATOR RECTIFIER END FRAME)
12V 45A,LPG PACKAGE,3YP
12V 55A
27359FRAME, ALTERNATOR RECTIFIER END
12V 60A
12V 40A
27362RECTIFIER ASSY, W/BRUSH
12V 40A
27371BRUSH, ALTERNATOR
12V 45A,LPG PACKAGE,3YP
12V 55A
12V 60A
27372SPRING, ALTERNATOR BRUSH
12V 45A,LPG PACKAGE,3YP
12V 55A
12V 60A
27410STATOR ASSY, ALTERNATOR
12V 40A
12V 45A,LPG PACKAGE,3YP
12V 55A
12V 55A
27411PULLEY, ALTERNATOR
12V 60A
12V 60A
12V 60A
12V 55A
12V 55A
12V 60A
12V 45A,LPG PACKAGE
27441FAN, ALTERNATOR
12V 40A
12V 55A
12V 55A
27700AREGULATOR ASSY, GENERATOR
2737815030INSULATOR, ALTERNATOR, NO.1
main27378-15030
2737845110INSULATOR, ALTERNATOR, NO.1
main27378-45110
2738745022INSULATOR, TERMINAL
main27387-45022
2744772040CLIP, ALTERNATOR CORD
main27447-72040
9009900912
main90099-00912
9009904300
main90099-04300
9009905060
main90099-05060
9009905118
main90099-05118
9009905119
main90099-05119
9010110156
main90101-10156
9011906033
main90119-06033
9011908023
main90119-08023
9017906158
main90179-06158
9017910091
main90179-10091
9161160840
main91611-60840
9451101400
main94511-01400
9461211001
main94612-11001
36 parts on this diagram · 4 diagrams in section