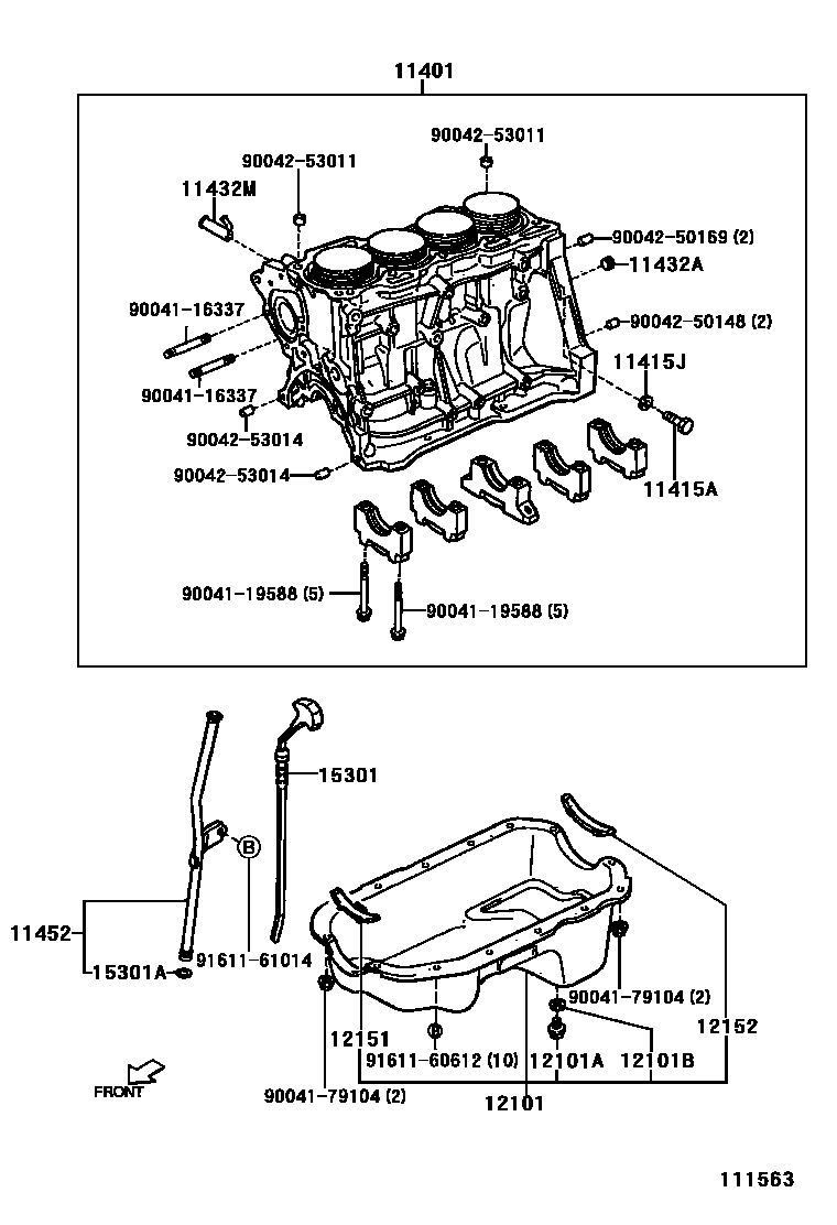
CYLINDER BLOCK

11401BLOCK SUB-ASSY, CYLINDER
11415APLUG, WATER DRAIN COCK(FOR CYLINDER BLOCK)
11415JGASKET(FOR DRAIN COCK)
11432APLUG, W/HEAD TAPER SCREW, NO.1
11432MUNION(FOR CYLINDER BLOCK)
11452GUIDE, OIL LEVEL GAGE
12101PAN SUB-ASSY, OIL
12101APLUG(FOR OIL PAN DRAIN)
12101BGASKET(FOR OIL PAN DRAIN PLUG)
12151GASKET, OIL PAN
12152GASKET, OIL PAN, NO.2
15301GAGE SUB-ASSY, OIL LEVEL
15301ARING, O(FOR OIL LEVEL GAGE)
9004116337
main90041-16337
9004119588
main90041-19588
9004179104
main90041-79104
9004250148
main90042-50148
9004250169
main90042-50169
9004253011
main90042-53011
9004253014
main90042-53014
9161160612
main91611-60612
9161161014
main91611-61014
22 parts on this diagram · 2 diagrams in section