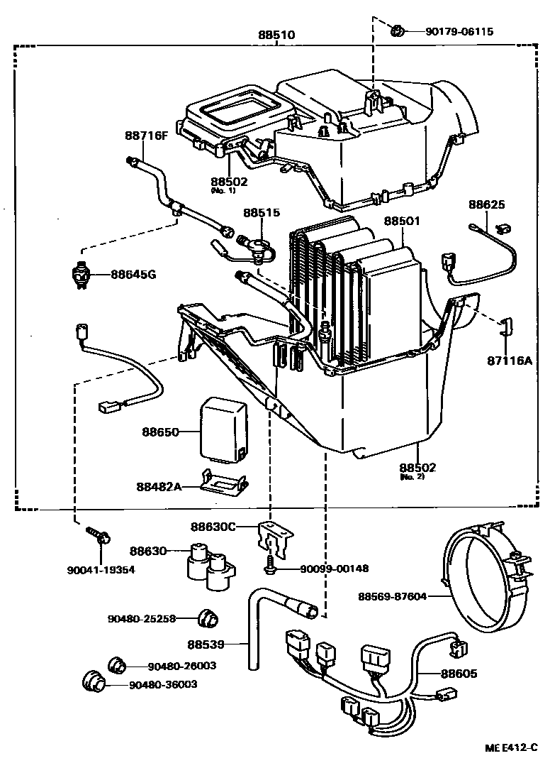
HEATING & AIR CONDITIONING - COOLER UNIT

87116ASPRING, HOLDING (FOR COOLER UNIT CASE)
88482ACOVER
88501EVAPORATOR SUB-ASSY, COOLER, NO.1
88502CASE SUB-ASSY, COOLING UNIT
NO.1
NO.2
88510UNIT ASSY, COOLER
88515VALVE, COOLER EXPANSION
88539HOSE, COOLER UNIT DRAIN, NO.1
88605HARNESS SUB-ASSY, COOLER WIRING, NO.1
88625THERMISTOR, COOLER, NO.1
88630RELAY ASSY, COOLER
88630CBRACKET, COOLER RELAY
88645GSWITCH, PRESSURE
88650AMPLIFIER ASSY, COOLER STABILIZER
88716FPIPE, COOLER REFRIGERANT LIQUID, F
8856987604CLAMP (FOR COOLER RELAY)
main88569-87604
9004119354
main90041-19354
9009900148
main90099-00148
9017906115
main90179-06115
9048025258
main90480-25258
9048026003
main90480-26003
9048036003
main90480-36003
21 parts on this diagram · 1 diagram in section