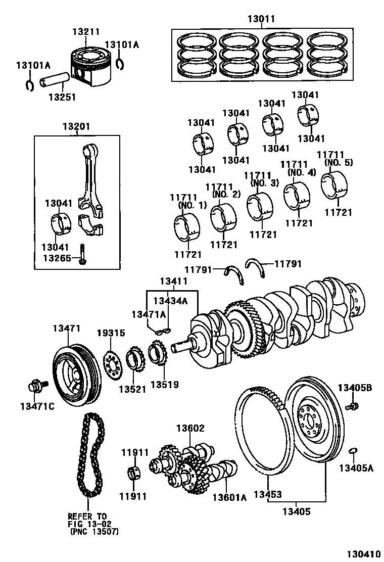
CRANKSHAFT & PISTON

11711BEARING, CRANKSHAFT
11721BEARING, CRANKSHAFT, NO.2
11791WASHER, CRANKSHAFT THRUST, UPPER
11911BEARING, BALANCESHAFT, NO.1
13011RING SET, PISTON
1302CAMSHAFT & VALVE
13041BEARING, CONNECTING ROD
13101ARING, HOLE SNAP(FOR PISTON PIN)
13201ROD SUB-ASSY, CONNECTING
MARK A
MARK B
MARK C
13211PISTON
13251PIN, PISTON
13265BOLT, CONNECTING ROD
13405FLYWHEEL SUB-ASSY
13405APIN, STRAIGHT(FOR FLYWHEEL)
13405BBOLT, FLYWHEEL SETTING
13411CRANKSHAFT
13434AKEY(FOR OIL PUMP DRIVE SPLINE)
13453GEAR, FLYWHEEL RING
13471PULLEY, CRANKSHAFT
13471AKEY, CRANKSHAFT(FOR CRANKSHAFT PULLEY SET)
13471CBOLT(FOR CRANKSHAFT PULLEY SET)
13519GEAR, OIL PUMP DRIVE
13521GEAR OR SPROCKET, CRANKSHAFT TIMING
13601ABALANCESHAFT SUB-ASSY, NO.1
13602BALANCESHAFT SUB-ASSY, NO.2
19315PLATE, CRANK ANGLE SENSOR, NO.1
26 parts on this diagram · 1 diagram in section