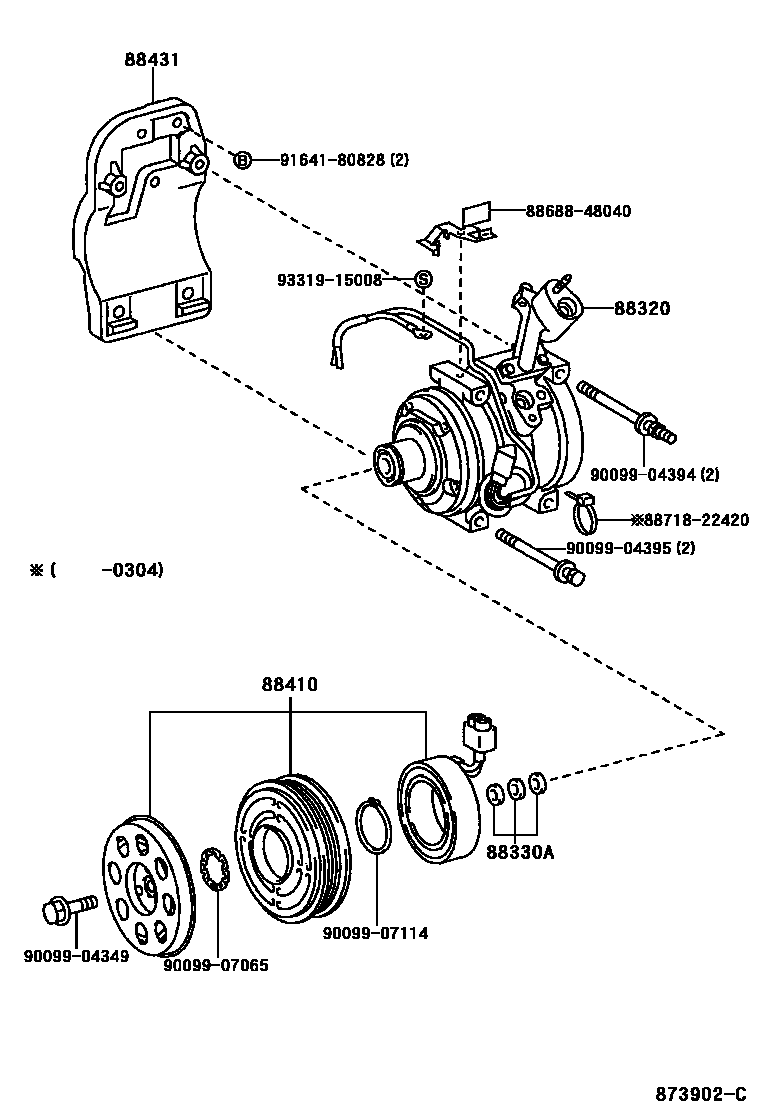
HEATING & AIR CONDITIONING - COMPRESSOR

88320COMPRESSOR ASSY, COOLER
88330AWASHER (FOR MAGNET CLUTCH)
88410CLUTCH ASSY, MAGNET
88431BRACKET, COMPRESSOR MOUNTING, NO.1
8868848040BRACKET, COOLER DIAPHRAGM
main88688-48040
8871822420PIPE, COOLER REFRIGERANT SUCTION, NO.2
main88718-22420
9009904349
main90099-04349
9009904394
main90099-04394
9009904395
main90099-04395
9009907065
main90099-07065
9009907114
main90099-07114
9164180828
main91641-80828
9331915008
main93319-15008
13 parts on this diagram · 3 diagrams in section