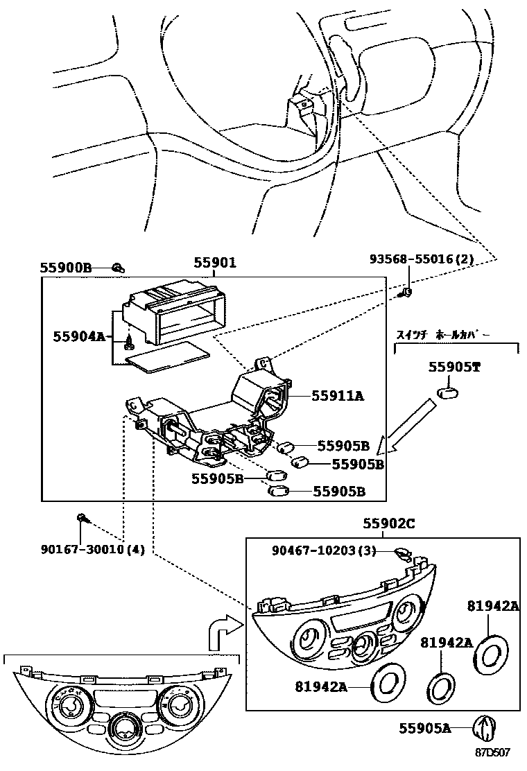
HEATING & AIR CONDITIONING - CONTROL & AIR DUCT

55900BBULB, AIR CONDITIONER CONTROL
55901BASE SUB-ASSY, HEATER CONTROL
55902CPANEL SUB-ASSY, AIR CONDITIONER
55904AHOUSING SUB-ASSY, HEATER CONTROL
55905AKNOB, HEATER CONTROL
55905BKNOB, HEATER CONTROL, NO.2
55905TCOVER, SWITCH HOLE, NO.1
55911ABASE, HEATER CONTROL
81942ASHEET, HEATER CONTROL NAME, NO.1
9016730010
main90167-30010
9046710203
main90467-10203
9356855016
main93568-55016
12 parts on this diagram · 8 diagrams in section