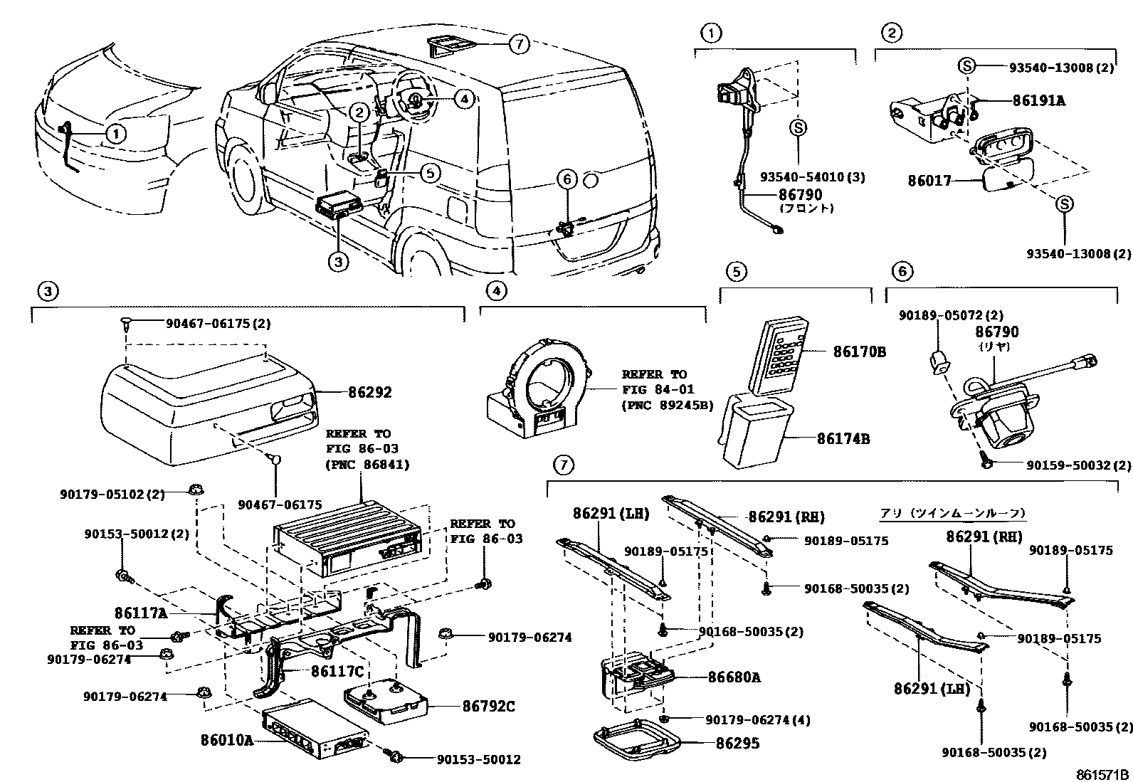
CAMERA & REAR MONITOR DISPLAY

8401SWITCH & RELAY & COMPUTER
86010ATUNER ASSY, TELEVISION
86017PARTS SET, VIDEO
DK.GRAY,TRIM1#
SANDAL WOOD,TRIM4#
8603NAVIGATION & FRONT MONITOR DISPLAY
86117ABRACKET, TELEVISION DISPLAY, A
86117CBRACKET, MULTI-DISPLAY CONTROLLER, NO.2
86170BSWITCH & VOLUME ASSY, TELEVISION
86191ATERMINAL, VIDEO(VIDEO ADAPTER)
86291BRACKET, TELEVISION
86292COVER, TELEVISION SET
86295BASE, TELEVISION
IVORY,TRIM4#
LT.GRAY,TRIM1#
IVORY,TRIM4#
LT.GRAY,TRIM1#
IVORY,TRIM4#
LT.GRAY,TRIM1#
86680ADISPLAY ASSY, TELEVISION
86790CAMERA ASSY, TELEVISION
86792CCOMPUTER, PARKING ASSIST
9015350012
main90153-50012
9015950032
main90159-50032
9016850035
main90168-50035
9017905102
main90179-05102
9017906274
main90179-06274
9018905072
main90189-05072
9018905175
main90189-05175
9046706175
main90467-06175
9354013008
main93540-13008
9354054010
main93540-54010
25 parts on this diagram · 3 diagrams in section