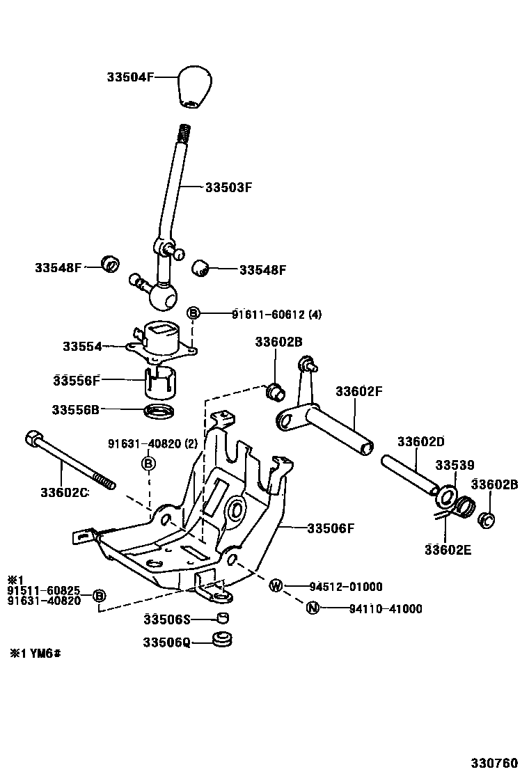
SHIFT LEVER & RETAINER

33503FLEVER SUB-ASSY, SHIFT(FOR FLOOR SHIFT)
33504FKNOB SUB-ASSY, SHIFT LEVER
BLUE,TRIM1#
GRAY,TRIM1#
MEDIUM GRAY,TRIM1#
SHADOW GRAY,TRIM1#
BLUISH GRAY,TRIM1#
GRAY,TRIM1#
GRAY,TRIM1#
33506FRETAINER SUB-ASSY, CONTROL SHIFT LEVER (FOR FLOOR SHIFT)
33506QGROMMET, NO.1(FOR CONTROL SHIFT LEVER RETAINER)
33506SCOLLAR, NO.1(FOR CONTROL SHIFT LEVER RETAINER)
33539CUSHION, SHIFT LEVER ANTI-RATTLE
33548FBUSH, NO.1, SHIFT LEVER (FOR FLOOR SHIFT)
33554CAP, SHIFT LEVER
33556BBUSH (FOR TRANSMISSION SHIFT LEVER BALL SEAT)
33556FSEAT, TRANSMISSION SHIFT LEVER BALL
33602BBUSHING (FOR SELECT LEVER)
33602CBOLT (FOR SELECT LEVER)
33602DCOLLAR (FOR SELECT LEVER)
33602ESPRING, TORSION (FOR SELECT LEVER)
33602FLEVER SUB-ASSY, SELECT (FOR FLOOR SHIFT)
9151160825
main91511-60825
9161160612
main91611-60612
9163140820
main91631-40820
9411041000
main94110-41000
9451201000
main94512-01000
20 parts on this diagram · 4 diagrams in section