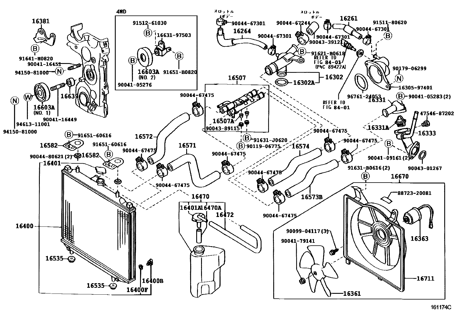
RADIATOR & WATER OUTLET

16261HOSE, WATER BY-PASS
16264HOSE, WATER BY-PASS, NO.2
16302HOUSING SUB-ASSY, WATER INLET
16302ASEAL, RUBBER(FOR WATER INLET HOUSING)
16331OUTLET, WATER
16333HOUSING, WATER OUTLET
16361FAN
16363MOTOR, COOLING FAN
16381BAR, FAN BELT ADJUSTING
16400RADIATOR ASSY
16400BPLUG, RADIATOR DRAIN COCK
16400FPACKING(FOR RADIATOR DRAIN COCK)
16401CAP SUB-ASSY, RADIATOR
16401ACAP SUB-ASSY, RADIATOR RESERVE TANK
16470TANK ASSY, RADIATOR RESERVE
16470AHOSE OR PIPE(FOR RADIATOR RESERVE TANK)
16472HOSE, BREATHER
16507PIPE SUB-ASSY, RADIATOR
16507APLUG(FOR RADIATOR PIPE)
16535SUPPORT, RADIATOR, LOWER
16571HOSE, RADIATOR, INLET
16572HOSE, RADIATOR, OUTLET
16573BHOSE, RADIATOR, NO.3
16574HOSE, RADIATOR, NO.4
16582BRACKET, RADIATOR, NO.1
16603APULLEY SUB-ASSY, IDLER, NO.1
16639SPACER, IDLER PULLEY
16670MOTER ASSY, FAN W/SHROUD
16711SHROUD, FAN
8401SWITCH & RELAY & COMPUTER
1630597401OUTLET SUB-ASSY, WATER BY-PASS
main16305-97401
1663197503BRACKET, IDLER PULLEY
main16631-97503
4754687202
main47546-87202
8872320081PIPE, COOLER REFRIGERANT SUCTION, NO.7
main88723-20081
9004105276
main90041-05276
9004105283
main90041-05283
9004109161
main90041-09161
9004116449
main90041-16449
9004116451
main90041-16451
9004179141
main90041-79141
9004301267
main90043-01267
9004339121
main90043-39121
9004389115
main90043-89115
9004467244
main90044-67244
9004467301
main90044-67301
9004467475
main90044-67475
9004480621
main90044-80621
9009904117
main90099-04117
9011906775
main90119-06775
9017906299
main90179-06299
9151180620
main91511-80620
9151261030
main91512-61030
91621B0618
main91621-B0618
91631B0616
main91631-B0616
91631J0620
main91631-J0620
91641H0820
main91641-H0820
9165160616
main91651-60616
91651B0820
main91651-B0820
9415081000
main94150-81000
9461311001
main94613-11001
9676124053
main96761-24053
62 parts on this diagram · 2 diagrams in section