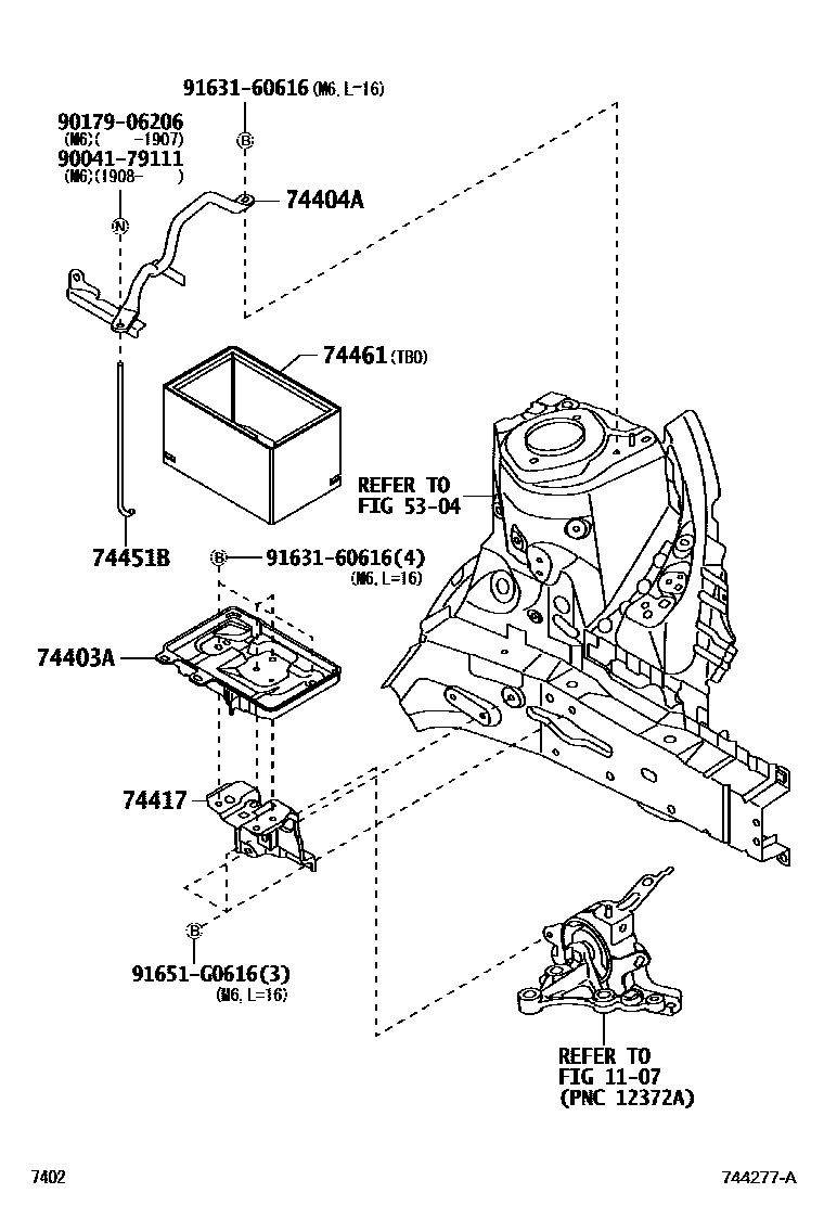
BATTERY CARRIER

1107MOUNTING
5304FRONT FENDER APRON & DASH PANEL
74403ACARRIER SUB-ASSY, BATTERY
74417BRACKET, BATTERY CARRIER
74451BBOLT, BATTERY CLAMP
74461COVER, BATTERY
9004179111
main90041-79111
9017906206
main90179-06206
9163160616
main91631-60616
91651G0616
main91651-G0616
11 parts on this diagram · 1 diagram in section