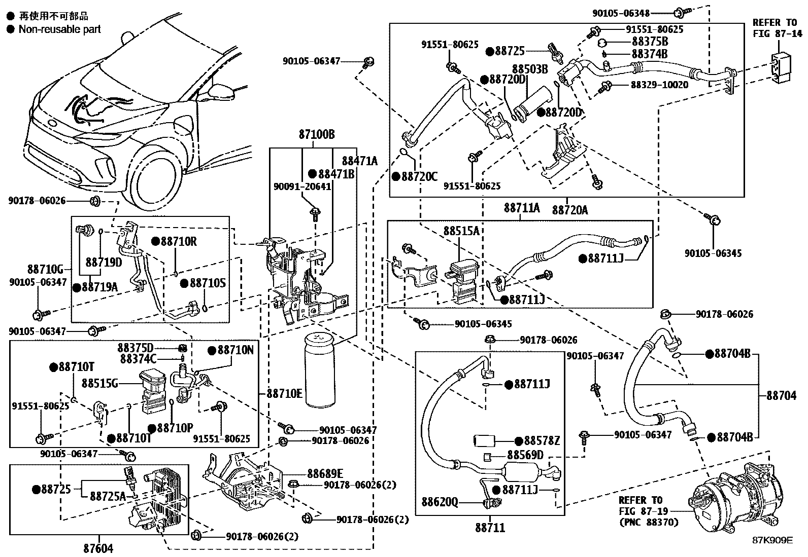
HEATING & AIR CONDITIONING - COOLER PIPING

87100BCONDENSER ASSY
8714HEATING & AIR CONDITIONING - COOLER UNIT
8719HEATING & AIR CONDITIONING - COMPRESSOR
87604UNIT SUB-ASSY, HEAT EXCHANGER
88374BVALVE, SERVICE, NO.1
88374CVALVE, SERVICE, NO.2
88375BCAP, SERVICE VALVE, NO.1
88375DCAP, SERVICE VALVE, NO.2
88471ATANK, RECEIVER
88471BRING, O (FOR RECEIVER TANK)
88503BREGULATOR SUB-ASSY, PRESSURE
88515AVALVE, COOLER EXPANSION
88515GVALVE, COOLER EXPANSION, NO.2
88569DCLAMP, COOLER, NO.1
88578ZPACKING, COOLER, NO.1
88620QTHERMISTOR ASSY, AIR CONDITIONER NO.1
88689EBRACKET, COOLER, NO.1
88704HOSE SUB-ASSY, SUCTION
88704BRING, O(FOR SUCTION HOSE)
88710ETUBE & ACCESSORY ASSY, AIR CONDITIONER
88710GTUBE & ACCESSORY ASSY, AIR CONDITIONER, NO.2
88710NRING, O, NO.1(FOR TUBE & ACCESSORY ASSY, AIR CONDITIONER)
88710PRING, O, NO.2(FOR TUBE & ACCESSORY ASSY, AIR CONDITIONER)
88710RRING, O, NO.1(FOR TUBE & ACCESSORY ASSY, A/C, NO.2)
88710SRING, O, NO.2(FOR TUBE & ACCESSORY ASSY, A/C, NO.2)
88710TRING, O, NO.3(FOR TUBE & ACCESSORY ASSY, AIR CONDITIONER)
88711HOSE, COOLER REFRIGERANT DISCHARGE, NO.1
88711AHOSE, COOLER REFRIGERANT DISCHARGE, NO.2
88711JRING, O, NO.1(FOR DISCHARGE HOSE)
88719ASENSOR, AIR CONDITIONER PRESSURE
88719DRING, O(FOR AIR CONDITIONER PRESSURE SENSOR)
88720AHOSE & ACCESSORY, AIR CONDITIONER
88720CRING, O, NO.1(HOSE & ACCESSORY ASSY, AIR CONDITIONER)
88720DRING, O, NO.2(HOSE & ACCESSORY ASSY, AIR CONDITIONER)
88725SENSOR, REFRIGERANT
88725ARING, O (FOR REFRIGERANT SENSOR)
8832910020PISTON SUB-ASSY, COOLER COMPRESSOR
main88329-10020
9009120641
main90091-20641
9010506345
main90105-06345
9010506347
main90105-06347
9010506348
main90105-06348
9017806026
main90178-06026
9155180625
main91551-80625
43 parts on this diagram · 1 diagram in section