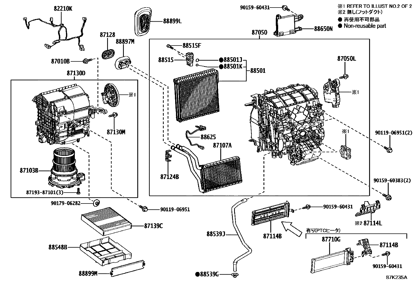
HEATING & AIR CONDITIONING - COOLER UNIT

82210KHARNESS ASSY, AIR CONDITIONER
87010BSCREW(FOR AIR CONDITIONER UNIT)
87050RADIATOR ASSY, AIR CONDITIONER
87050LSCREW(FOR AIR CONDITIONER RADIATOR)
87103BMOTOR SUB-ASSY, BLOWER W/FAN
87107AUNIT SUB-ASSY, HEATER RADIATOR
87114LCOVER, HEATER, NO.2
87124BCLAMP, HEATER
87128GROMMET, HEATER
87130MSCREW(FOR BLOWER)
87139CFILTER, CLEAN AIR
87710GQUICK HEATER ASSY
88501EVAPORATOR SUB-ASSY, COOLER, NO.1
88501JO-RING, COOLER EVAPORATOR NO.2(SUCTION)
88501KO-RING, COOLER EVAPORATOR NO.1(LIQUID)
88515VALVE, COOLER EXPANSION
88515FBOLT(FOR COOLER EXPANSION VALVE)
88539GGROMMET (FOR COOLER UNIT DRAIN HOSE)
88539JHOSE, DRAIN COOLER
88548BCASE, AIR FILTER
88625THERMISTOR, COOLER, NO.1
88650NAMPLIFIER ASSY, AIR CONDITIONER
88897MGROMMET (FOR HEATER PIPE)
88899LPARTS, COOLING UNIT
88899MPLATE, COVER(FOR AIR FILTER)
8719387101
main87193-87101
9011906951
main90119-06951
9015960383
main90159-60383
9015960431
main90159-60431
9017906282
main90179-06282
32 parts on this diagram · 2 diagrams in section